STMicroLDH40は、入力および出力での小型セラミックコンデンサと安定して動作します。イネーブルロジック制御機能により、LDH40はシャットダウンモードに入り、合計消費電流を0.3µA未満に抑えます。熱保護も含まれています。このデバイスは、車載グレード、低フットプリント、ウェッタブル・フランク構造を採用したDFNパッケージで提供されます。低フットプリントによってPCB(プリント回路基板)設計における省スペースを最大化するだけでなく、AOI(自動光学検査)にも対応しています。
特徴
- AEC-Q100 Grade 1準拠
- 動作温度範囲:-40°C < TJ <+150°C
- 入力電圧 3.3V~40V
- ドロップアウト電圧 (200mA負荷時で標準700mV)
- 低接地電流(無負荷で標準2μA)
- 1.2V ~ 22VのADJ
- 25°Cで0.5%の出力電圧公差
- 保証出力電流200mA
- 適正電源
- 論理制御電気式シャットダウン
- 内部電流制限
- サーマルシャットダウン
- 出力アクティブ放電機能
- パッケージ
- DFN 2 x 2 6L WF (車載グレード用)
- 産業用SOT23 5LおよびDFN 6L
アプリケーション
- EVパワートレイン
- ボディ制御モジュール
- 常時オンバッテリ接続アプリケーション
- インフォテインメントと計器クラスタ
- ADAS
ブロック図
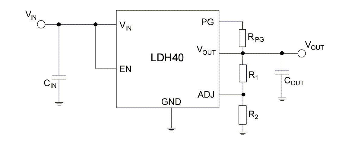
標準アプリケーション回路
公開: 2024-03-11
| 更新済み: 2025-04-18

