STMicroelectronics STEVAL-MKI201V1K評価キット
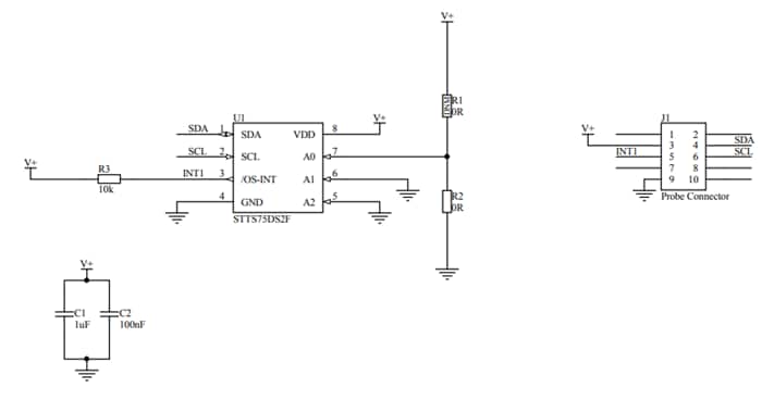
STMicroelectronics STEVAL-MKI201V1K評価キットは、STEVAL-MKIGIBV1アダプタボードにフラットケーブルで接続されたSTTS75温度センサが搭載されているプローブで構成されています。これによって、STEVAL-MKI109V3マザーボードとインターフェイスを作成できます。STEVAL-MKI201V1K評価キットは、非常に薄いプローブの上部に取り付けることができる小型パッケージが特徴です。これは、他の電子部品やボードから熱の影響を受けない温度読取値の記録に役立ちます。STEVAL-MKI201V1K評価キットは、完全なSTTS75ピン配列を実現しており、VDD電源線に必要なデカップリング・コンデンサが付属しています。STEVAL-MKIGIBV1アダプタは、標準規格のDIL24ソケットに接続できます。STEVAL-MKI109V3マザーボードは、センサとPCの間のブリッジとして機能する高性能32ビット・マイクロコントローラです。特徴
- 使いやすいSTTS75温度センサ・ボード
- DIL24標準ソケット用の完全STTS75ピン配列
- STEVAL-MKI109V3マザーボードに完全に互換
- RoHS準拠
- WEEE準拠
STEVAL-MKI201V1K評価キットの概略図
公開: 2019-03-06
| 更新済み: 2025-12-12
