CLOUD-ST25TA02KBには、通信用のISO/IEC 14443 Type Aプロトコルが採用されており、RFフィールドによって完全に給電されます。GPO出力を使用する場合は外部リファレンス電圧が必要で、GPO信号の高レベル電圧をMCUまたはホストのI/O電圧と直接互換性があるように設定します。この時、任意のレベルシフタを使用する必要がありません。
GPO信号は、アサートされるとアクティブハイになり、立ち上がりエッジ割込として使用できます。GPO信号は、MCUを起動するためのフィールド検出(デフォルト)表示、Bluetooth®またはWi-Fi®チップセットのホスティングといったさまざまな用途向けに、RFインターフェイスを介して構成できます。
特徴
- すぐに使用できるプリント回路ボード
- UFDFPN5 ECOPACK®2パッケージに収められたST25TA02KB-P NFC/RFIDタグ
- PCBに取り付けられた19mm2単層誘導アンテナ
- 非接触インターフェイス
- TruST25™デジタル署名
- NFC Forum Type 4タグ
- ISO/IEC 14443 Type A
- データ転送速度 106Kbps
- 小型誘導アンテナの設計を可能にする内部50pF調整容量
- メモリ
- 256バイト(2Kbit)EEPROM(NDEFデータサポートあり)
- 200年のデータ保持
- 100万消去/書き込みサイクルの耐久性
- 128ビット・パスワード・データ保護
- 引き裂き防止機能が搭載された読取または書込アクセス用の20ビットイベントカウンタ
- デジタルパッド
- 例えば、RFフィールド検出といった構成可能な汎用出力(GPO)
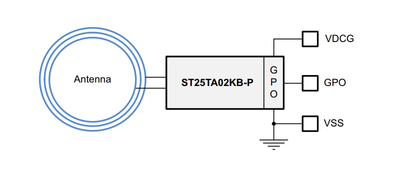
ブロック図
公開: 2019-06-21
| 更新済み: 2024-03-08

