STMicroelectronics L99MH98車載用オクタルハーフブリッジプリドライバ
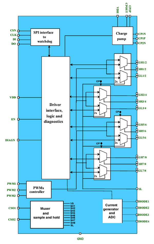
STMicroelectronics L99MH98車載用オクタルハーフブリッジプリドライバは、最大16個のNチャネルMOSFETを制御し、自動車のパワーシート制御などのDCモーター制御アプリケーション向けに設計されています。STMicroelectronicsのL99MH98は、エクスポーズドパッドを備えたVFQFPN48Lパッケージに搭載されています。このパッケージには、ハンダ接合部の目視検査を容易にするためのウェットテーブルフランクも備えています。24ビットのシリアルペリフェラルインターフェイス(SPI)を使用して、8つのハーフブリッジまたは4つのHブリッジを構成および制御します。SPIステータスレジスタは、電源電圧の監視、チャージポンプ電圧の監視、温度警告、過熱シャットダウンなど、高度な診断情報を提供します。各ゲートドライバは、外部MOSFETのドレイン-ソース電圧を独立して監視し、障害状態を検出します。STMicroelectronics L99MH98は、外付けMOSFETに対する間接的な電流測定を可能にし、シャント抵抗の使用を回避することでコスト削減とシステムの複雑さを軽減します。「三段階ゲート電流」と呼ばれる高度なゲート電流制御方式を採用しており、外部MOSFETの制御効率を向上させ、電磁干渉(EMI)を低減します。短絡検出のためのドレイン-ソースモニタリング、過温度警告とシャットダウン、MCU制御用のタイムアウトWatchdog、SPIによる詳細なオフステート診断など、複数の保護機能を備えており、ISO 26262標準に基づくASIL-Bの適合を保証します。
特徴
- AEC-Q100準拠
- ISO26262準拠、ASIL-B安全整合性レベルをカバー
- オクタルハーフブリッジ、またはクワッドHブリッジ、プリドライバ
- 独立チャンネルドライバ、最大8xハイサイドまたは8xローサイド
- 駆動ロジックは、異なるハーフブリッジを組み合わせた任意のHブリッジ構成が可能で、内部ゲートドライバ(GHx/SHx/GLxは任意のGHy/SHy/GLyに対応可能)
- 論理レベルと標準レベルMOSFETをサポート
- 逆バッテリ保護MOSFETの制御
- 障害発生時に完全に構成可能なハーフブリッジドライバ
- パワートランク/テールゲートアプリケーション用のジェネレータモード
- 外部MOSFETの間接的な電流測定をサポート
- SPI構成可能な過電圧閾値
- 適応型MOSFETゲート制御
- 外部HS/LSの3ステップゲート制御
- 電磁放射の改善
- プログラム可能ゲート電流:最大120mA
- PWMモードでのスイッチング損失の低減
- VDS モニタリング
- 低IQ:1.05μA(リセットモード時)
- ハイサイドおよびローサイドで保護と診断が可能
- 間接的な電流測定のキャリブレーションを支援するために、4つの外部ダイオード制御が利用可能で、安定した温度監視にも使用可能
- 短絡検出のためのドレイン-ソース検出
- 過熱警告とシャットダウン
- MCU制御用のタイムアウトWatchdog
- SPIを通じた詳細なオフステート診断(オープンロード、バッテリーへの短絡、またはグランドへの短絡)
- 3x PWM入力
- ハイサイドおよびローサイドPWM対応
- アクティブフリーホイール
- PWM周波数:最高50kHz
- フレーム外シリアルペリフェラルインターフェイス(SPI)、24ビット
- ウェッタブルフランク付きQFNパッケージ、7mm x 7mm x 0.9mm
- 動作温度範囲:-40°C~+150°C
- RoHS準拠、グリーン製品
アプリケーション
- シート制御
- ステアリングコラムとアクセルペダルの調整
- サンルーフ、スライドドア、ウィンドウリフト、シートベルトプリテンショナ、カーゴカバー、ワッシャーポンプ
- エンジン振動補償システム
- パワーリフトゲート
- 中央ドアロック
ブロック図
公開: 2024-09-24
| 更新済み: 2024-10-04
