STMicroelectronics PM8805 IEEE 802.3bt PoE-PDインターフェイス
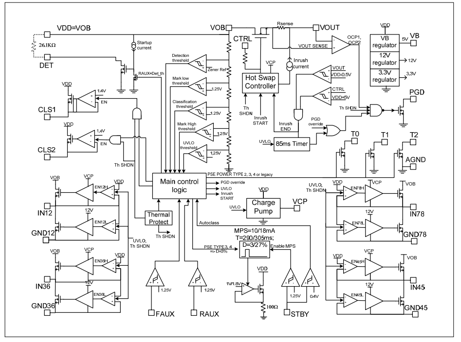
STMicroelectronics PM8805 IEEE 802.3bt PoE-PDインターフェイスは、スマート電源を対象としたシステムインパッケージになっており、最高99.9Wまでの電力レベルに適用できます。PM8805には、2つのアクティブ・ブリッジとそれらの駆動回路、ハイサイドMOSFETを駆動する充電ポンプ、ホットスワップMOSFET、IEEE 802.3btに準拠したインターフェイスが組み込まれています。物理層の分類を実行するPM8805は、正常なPSEタイプ識別の指示を実現しています。このデバイスは、接続されているPSE(標準またはレガシー)の種類を識別し、T0、T1、T2信号の組み合わせとして適切なIEEE802.3bt/at/af分類表示を実現(オープン・ドレイン)PM8805には、イーサネット・ケーブルから、あるいは壁アダプタといった外部電源からの電源があり、PoEに関する補助情報源の有病率があります。PM8805は、PoEスイッチ・モード電源のインターフェイス部分の構築を目的としており、最高クラスの変換効率が実現します。このデバイスは、PWMコントローラ、DC-DCコンバータ、またはLEDドライバを有効にするために使用できるPGD信号を実現しています。
特徴
- システムインパッケージのデュアルアクティブブリッジ、ホットスワップMOSFET、PoE-PDインターフェイス
- 100V、0.1ΩハイサイドN-chホットスワップMOSFET
- PoE-PDシングル署名インターフェイスで、IEEE 802.3bt/at/afに準拠
- 4ペアPoEアプリケーションに対応
- 12V補助ソースに対応
- 接続されているPSE(標準またはレガシー)の種類を識別し、T0、T1、T2信号の組み合わせとして適切なIEEE802.3bt/at/af分類表示を実現(オープン・ドレイン)
- スマート動作モード
- 100V N-ch MOSFETで、各アクティブ・ブリッジに0.2Ωトータル・パス抵抗あり
- 遅延3.3msのプログラマブル分類電流です。
- オプションのオートクラス機能
- 高度省電力MPSタイミング
- 2種類のステップ・ホットスワップ電流保護: 1ms遅延のDC、10μs遅延の短絡
- 出力コンデンサの事前充電制御
- 外部PWMコントローラを有効にするPGD信号(オープン・ドレイン)です。
- サーマルシャットダウン保護
アプリケーション
- 高電力無線データシステム
- 防犯カメラ
- アクセスポイント
- 公共情報ディスプレイ
- PoE照明システム
ブロック図
パンフレット
公開: 2019-02-14
| 更新済み: 2024-01-26
