STDRIVE102BH/Hは、組み込み保護が特徴で、アプリケーション全体の堅牢性が向上しています。保護機能には、各電源 (VCC、 VDD、充電ポンプ電圧) の不足電圧ロックアウト(UVLO)、熱シャットダウン、ハイサイドとローサイドの両方の VDS監視MOSFETが含まれます。保護がトリガされると、nFAULTオープンドレインピンがイベントを通知します。STMicro STDRIVE102BHには、別の専用オープンドレインピン(FLAG)として、ゲートドライバ電源VCCがガードリミットを下回ったかどうかを示します。このデバイスは、故障検出イベントと実際の出力遮断との間の伝播遅延を最小化することで、故障発生時にゲートドライバの出力を即時遮断するスマートシャットダウン機能を統合しています。
STDRIVE102BH/Hには、メイン電源ピン(VS)に加えて専用ピンVMがあり、高圧側NチャンネルMOSFETのドレインとの対応でモータ供給電圧に接続する必要があります。VMピンは、統合VDSモニタリングおよび充電ポンプのリファレンス電圧として活用されます。VSおよびVMピンは、さまざまな電圧での動作が可能で、デバイスの柔軟性を向上させます。
特徴
- 動作電圧 6V~50V
- 最大プログラマブル電流能力が備わっているゲートドライバ:
- 1Aソース電流
- 2Aシンク電流
- 下地とオーバーシュートに対する高い堅牢性
- 専用の不足電圧ロックアウト保護を備えた100%デューティサイクル動作のための充電ポンプ
- 柔軟性に富んだ電源管理:
- 専用の低電圧ロックアウト保護付き12V LDOリニアレギュレータ
- 専用の低電圧ロックアウト保護付き3.3V LDOリニアレギュレータ
- 50nA未満の低消費向けスタンバイモード
- サーマルシャットダウン保護
- パワーMOSFETの安全な駆動動作のVDS監視
- 柔軟なアナログフロントエンド:
- 最大3つの広帯域幅オペレーショナルアンプ
- 最大3つの高速コンパレータ
- デュアル制御モード:
- ENx/INx
- インターロッキング搭載INHx/INLX
- 全チャンネルに対して伝搬遅延をマッチング
- 最大5Vのロジック入力、TTL対応
アプリケーション
- バッテリ供給電源ツール
- ポータブル掃除機
- 電動バイク
- 産業用オートメーション
- ロボティクス
- ポンプとファン
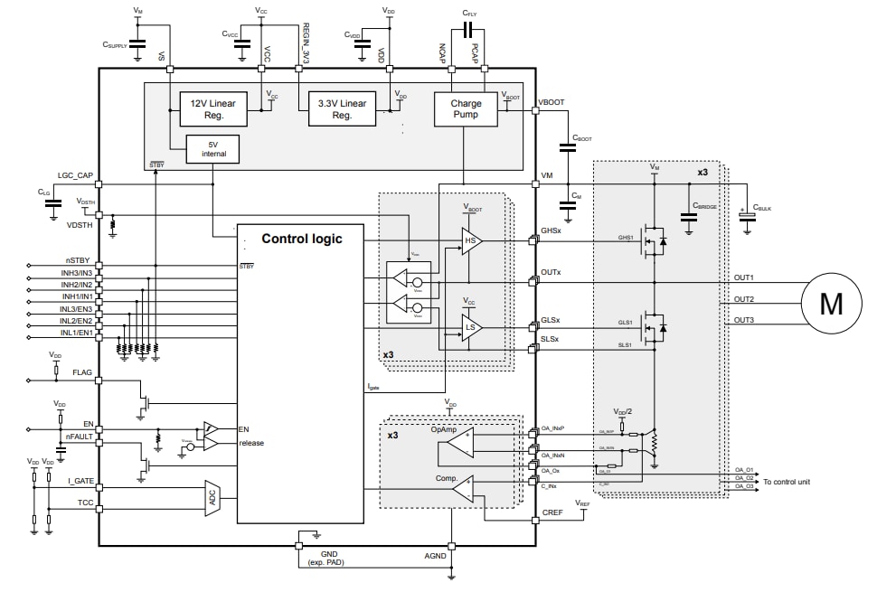
STDRIVE102BHブロック図
STDRIVE102Hブロック図
ビデオ
公開: 2025-04-17
| 更新済み: 2025-08-27

