STMicroelectronics STSPIN32F0B高度シングルシャントBLDCコントローラ
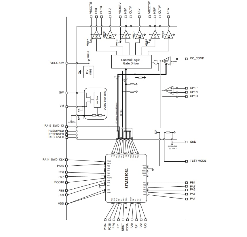
STMicroelectronics STSPIN32F0B高度シングルシャントBLDCコントローラは、さまざまな駆動モードを活用した3相ブラシレス・モータの駆動に適した統合ソリューションを実現しているシステムインパッケージです。STSPIN32F0Bコントローラには、トリプルハーフブリッジゲートドライバが組み込まれており、600mA(シンク/ソース)の電流能力を用いてパワーMOSFETまたはIGBTを駆動できます。統合インターロッキング機能は、同時に実行中の同じハーフブリッジのハイサイドおよびローサイドの各スイッチを遮断します。このデバイスには、MCUと外付け部品の両方のサポートに適した3.3Vの電圧供給を実現している内部DC/DCバック・コンバータが搭載されています。さらに、内部LDOリニア・レギュレータは、ゲート・ドライバの供給電圧の供給を実現しています。この統合オペレーショナル・アンプは、シグナル・コンディショニングに利用でき、シャント・レジスタを活用したシャント・センシングをもたらします。過電流保護は、STSPIN32F0Bに搭載されており、プログラマブル閾値が備わっているコンパレータで実行されます。
統合MCU STM32F031C6には、拡張温度範囲が備わっており、フィールド指向制御、6ステップ・センサレス、およびその他の高度駆動アルゴリズムを実行できます。また、MCUには、組み込みフラッシュメモリ用の読取/書込の保護機能も搭載されており、不要な書込および/または読取から保護できます。この組み込みブートローダによって、シリアル・インターフェイスを介して現場でファームウェアをダウンロードできるようになります。STSPIN32F0Bのその他の機能には、過温度と低電圧ロックアウト保護、および電力消費を低減するスタンバイモードがあります。
このデバイスには、5Vトレラント機能が搭載されている20の汎用I/Oポート(GPIO)が組み込まれているだけでなく、シングルショットまたはスキャンモードで変換を実行する最大9チャンネル搭載12ビットのアナログ・デジタル・コンバータ1台も装備されています。また、STSPIN32F0Bには、5個の同期可能汎用タイマも実装されており、使いやすいデバッグ用シリアル・インターフェイス(SWD)をサポートしています。
特徴
- 6.7~45Vの拡張動作電圧
- 3相ゲートドライバ
- 600mAシンク/ソース
- 統合ブートストラップダイオード
- クロス導通の防止
- 32ビットARM® Cortex®-M0コア:
- 最高48MHzのクロック周波数
- HWパリティでの4キロバイトSRAM
- 読み込み/書き出し保護に使用されるオプションバイト付32Kバイト・フラッシュメモリ
- 利用可能なFWブートローダ
- 3.3V DC/DCバック・コンバータ・レギュレータで、過電流、短回路、サーマル保護機能を搭載
- サーマル保護が備わった12V LDOリニア・レギュレータ
- 20の汎用I/Oポート (GPIO)
- 5個の汎用タイマ
- 12ビットADCコンバータ(最大9チャンネル)
- I2C、USART、SPIインターフェイス
- シグナル・コンディショニング用の1つのレール・ツー・レールの動作アンプ
- プログラマブル閾値が備わった過電流保護用コンパレータ
- 低消費電力用スタンバイモード
- 各電源でのUVLO保護:
- VM、VDD、VREG、VBOOTx
- SWD経由でのオンチップデバッグサポート
- 拡張温度範囲: -40°C~+125°C
アプリケーション
- 電力ツール
- ファンとポンプ
- 産業オートメーション
- バッテリ駆動家電
ビデオ
アナログICのブロック図
システムインパッケージのブロック図
