STMicroelectronics TDA7388A 4x42Wクワッドブリッジ
カーラジオアンプ

STMicroelectronics TDA7388A 4x42Wクワッド・ブリッジ・アンプは、Flexiwatt 27パッケージの、クラスABのオーディオ・パワーアンプです。これらのSTMicroelectronicsデバイスは、ハイエンドのカーラジオ・アプリケーション、高出力パワー能力、および歪みと出力雑音の低減を考慮して設計されています。TDA7388Aは、 features完全に補完的なPNP/NPN出力構成を特徴としており、ブートストラップ・コンデンサなしにレール・ツー・レールの出力電圧振幅を可能にします。TDA7388Aクワッドブリッジカーラジオアンプには、クリッピング検出器とオフセット検出器機能も搭載されています。

特徴
  • 高出力パワー能力:
    • 4x42W/4Ω(最大)
    • 4x27W/4Ω @ 14.4V、1KHz, 10%
  • 低歪み
  • 低出力雑音
  • スタンバイ機能
  • ミュート機能
  • 最小供給電圧検出時に自動ミュート
  • 低外部部品カウント:
  • クリッピング検出器
  • オフセット検出器
  • 診断設備:
    • Out-GND短絡
    • Out-VS短絡
    • サーマルシャットダウン
アプリケーション
  • ハイエンドカーラジオ

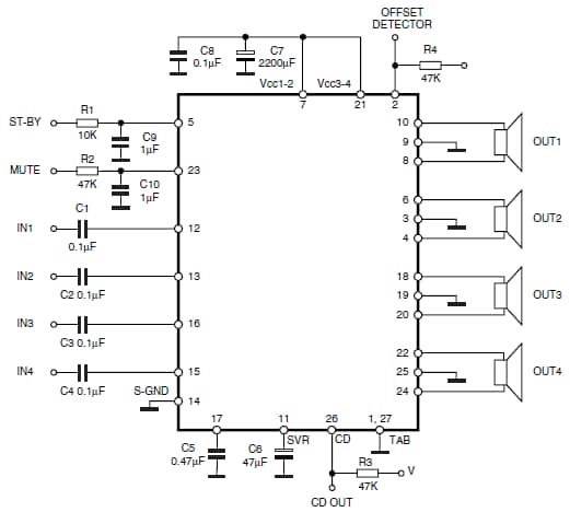
応用回路

応用回路
  • STMicroelectronics
  • Audio
  • Semiconductors|Integrated Circuits|IC-Amplifier|IC-Audio
公開: 2011-11-14 | 更新済み: 2022-03-11