TDK InvenSense ICU-30201超音波ToF距離センサ
TDK InvenSense ICU-30201超音波ToF距離センサは、高性能、超コンパクトなソリューションで、超長距離アプリケーションを対象に設計されています。TDK InvenSense ICU-30201は、照明条件やターゲットの透明性に関係なく、ミリメートル精度で30cm~9.5mの距離を測定します。最大180° のカスタマイズ可能な視野角が特徴のこのセンサは、マルチオブジェクト検出に対応しており、超低電力消費で動作し、バッテリ寿命を延長します。このセンサには、53kHz圧電MEMS超音波トランスデューサ(PMUT)および第2世代超低消費電力システムオンチップ(SoC)がミニチュアのリフロー対応パッケージに統合されています。スマートホーム、ビルオートメーション、ロボティクス、障害物回避に最適なICU-30201は、さまざまな環境でのコンテキスト認識と信頼性を向上させます。特徴
- 高速で正確な範囲検索
- 40MHz統合CPUによって、距離測定、ヒューマンプレゼンス、ウェイクオン・アプローチをはじめとするオンチップ・アルゴリズムを実現
- 動作範囲 30cm~9.5m
- 最大7mのヒューマンプレゼンス検出
- 長距離または短距離センシングアプリケーション用に最適化されたプログラマブルモード
- 最大180°までカスタマイズできる視野(FoV)
- マルチオブジェクト検出
- 完全な太陽光から完全な暗闇まで、あらゆる照明条件で作動
- オブジェクトの色に敏感、(ガラス、透明プラスチックなどの)光学的に透明な表面を検出
- 低供給電流
- 1秒あたり1測定で30µA (最大範囲9m)
- 1秒あたり11測定で243µA (最長範囲9m)
- 統合が簡単
- 送受信用の単一ボトムポート
- 1.8Vまたは3.3V I/O電圧
- 低消費電力1.8Vコア動作電圧
- 13MHz SPIインターフェイスを使用すると、完全な測定レートでベースバンドのデータストリーム出力が可能
- オプションの32kHzリファレンスクロック入力
- センサのトリガまたはホストのウェイクアップを目的とした2つのプログラマブルオープンドレインI/O
- ターンキー・レンジ検索が実現するプラットフォーム独立ソフトウェア・ドライバ
- 小型集積パッケージ
- 5.17mm x 2.68mm x 0.9mm、13ピンLGA
- 標準SMDリフローとの互換性あり
- 動作温度範囲:-40°C~+85°C
アプリケーション
- スマートホーム、スマートビル、省エネ
- スマート照明
- 家電製品
- 屋内防犯カメラ
- 存在検出(LCD TV、ノートブック)
- スマートスピーカと会議室デバイス
- スマートドアロック(ウェイクオンアプローチ搭載)
仕様
- アナログ/デジタル電源範囲:1.71V~1.89V
- I/O電源範囲:1.71V~3.63V
- 動作周波数範囲:45kHz~60kHz
- 最大180°まで構成できる視野角
- ±100mA最大ラッチアップ
- ±20mA最大連続入力電流、任意のピン
- 標準電流消費範囲: 17μA~395μA
- 18μA最大アイドル電流、9μA標準
- 5msの標準プログラミング時間
- 入力容量:<10pF
- 静電放電保護 (ESD) 定格
- ±2kV人体モデル(HBM)
- デバイス帯電モデル (CDM) ±500V
- 動作温度範囲:-40°C~+85°C
- 最高リフローはんだ付け温度:+260°C
ピン配列と説明
簡略ブロック図
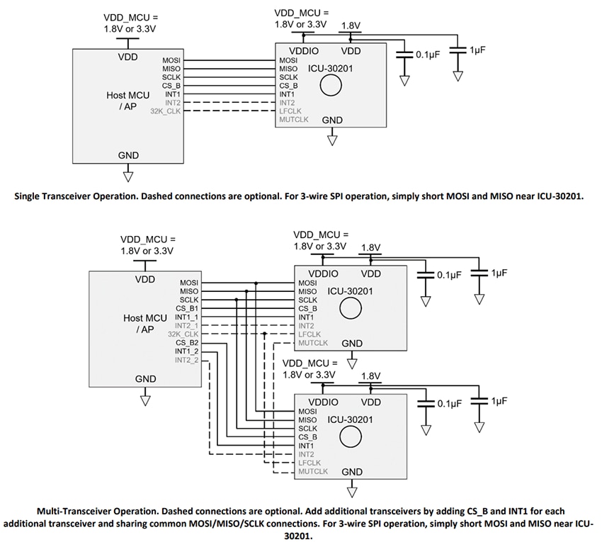
標準操作回路
寸法
公開: 2025-04-24
| 更新済み: 2025-05-29
