TE Connectivity / Schaffner FN 3287/3288 EMC/RFI Filters
TE Connectivity / Schaffner FN 3287/3288 EMC/RFI Filters are based on an innovative filter topology with state-of-the-art EMI attenuation. These filters ensure compliance with Class C2 or C1. The FN 3287/3288 filters come in a slim book-style shape that saves space and allows for installation next to inverters, converters, or motor drives. These TE Connectivity / Schaffner filters act as solid safety connector blocks and are available in HVIT, IT, and low-leakage current versions. The FN 3287 filters offer standard attenuation performance, while the FN 3288 filters provide high attenuation performance. Typical applications include process automation equipment, 3-phase power supplies, low-leakage current requirements, and IT power distribution networks.Features
- State-of-the-art EMI attenuation based on innovative filter topology
- Slim book-style shaped solid safety connector blocks with a small footprint
- Provides standard (FN 3287) and high (FN 3288) attenuation
- Ensures compliance with Class C2 or C1
- HV version available for 690VAC applications
- HVIT and IT versions available for IT distribution networks
- Low leakage current version is also available
- Pollution degree 3
- Climatic class 40/100/21
- IP20 rated
Applications
- Three-phase variable speed drives and power drive systems (PDS)
- Machine tool and machinery equipment
- IT power distribution networks (FN 3288 IT and FN 3288 HVIT)
- General energy conversion devices (inverters/converters)
- Process automation equipment
- Low-leakage current requirements
- Three-phase power supplies
Specifications
- 10A to 230A rated current at +50°C
- DC to 6Hz operating frequency range
- 0.1mA to 12.4mA leakage current range
- >200,000 hours of Mean Time Between Failures (MTBF)
- UL 94V-0 flammability rating
- >1MΩ acc. to IEC 60204-1 compliance with insulation requirement
- -40°C to +100°C temperature range (with derating >50°C)
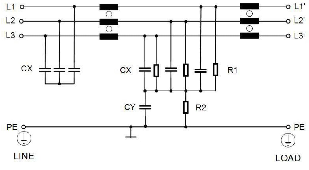
Schematic Diagram
公開: 2019-01-31
| 更新済み: 2025-04-23
