Advantech iDAQ-8シリーズ・アナログ出力モジュール
Advantech iDAQ-8シリーズ・アナログ出力モジュールは、4チャンネル、16ビット分解能、10kS/s/chの最大更新レートが特徴です。これらのiDAQ-8シリーズモジュールは、iDAQシステムでのホットスワップが可能で、複数の電圧と電流出力範囲が備わっています。アナログ出力モジュールには、4 x 16ビット対応アナログ出力チャンネルが備わっており、600VRMS 絶縁があります。これらのiDAQ-8シリーズモジュールは、取り外し可能な欧州型スプリング端子コネクタが特徴です。アナログ出力モジュールは、-20°C ~ 60°C動作温度範囲、0.675W電力消費、-40°C ~ 70°C保管温度範囲で動作します。特徴
- iDAQ systemでのホットスワップが可能
- 取り外し可能な欧州型スプリング端子コネクタ
- 4 x 16ビット対応アナログ出力チャンネル(600VRMS 絶縁あり)
- 複数の電圧と電流出力範囲
- 動作モード:
- 静的またはバッファ済
- 構成可能なソフトウェア
仕様
- 0.675W消費電力
- 4チャンネル対応アナログ入力
- 16ビット分解能
- 出力スルーレート:V/μs
- 5Grms振動
- 出力負荷
- 最小出力電圧:1kΩ
- 最大出力電流:520Ω
- 出力インピーダンス:
- 標準出力電圧:0.06Ω
- 標準出力電流:100MΩ
- 600VRMS 絶縁保護
- 保管温度範囲: -40°C ~ 70°C
- 動作温度範囲:-20°C~60°C
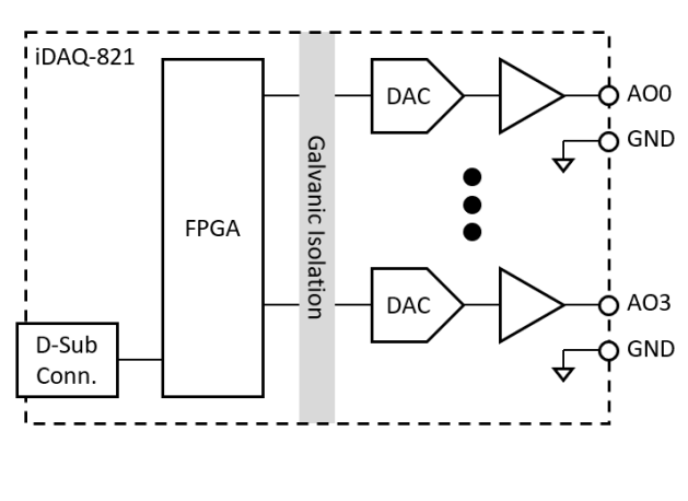
ブロック図
ビデオ
その他の資料
公開: 2022-06-09
| 更新済み: 2023-11-03
