Texas Instruments AMC131M03/AMC131M03-Q1 24ビットデルタシグマ型ADC
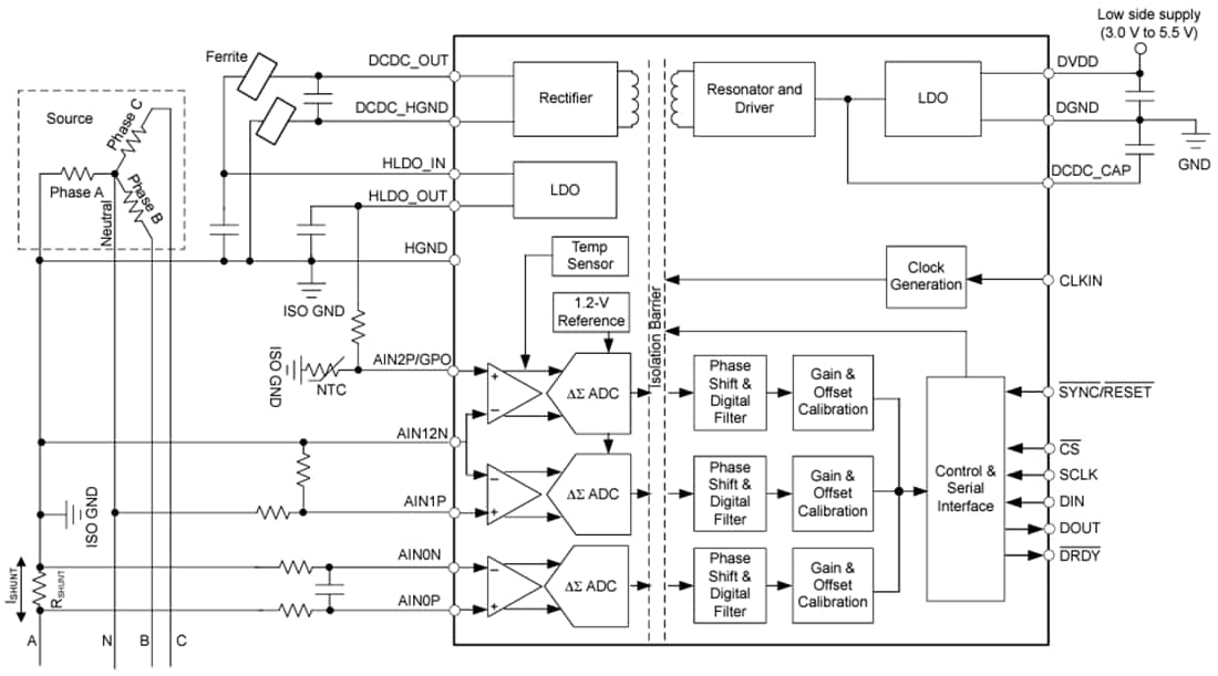
Texas Instruments AMC131M03/AMC131M03-Q1 24ビット絶縁型デルタシグマ型アナログデジタルコンバータ(ADC)は、高精度で、3チャネルのデータおよび電力絶縁された24ビット(ΔΣ)ADCです。AMC131M03/AMC131M03-Q1は、電力メトロロジおよびエネルギーメータリングアプリケーション向けに調整された広範なダイナミックレンジ、エネルギー計測専用の機能、および低電力機能を提供しています。デバイスの高い入力インピーダンスのため、ADCの入力はシャント電流センサまたは抵抗分圧ネットワークと直接インターフェイスできます。AMC131M03/AMC131M03-Q1には、完全に統合された絶縁DC/DCコンバータが搭載されており、デバイスの低側からのシングルサプライ動作が可能です。強化キャパシティブ絶縁バリアは、UL1577およびVDE 0884-17に準拠した認証を取得しています。この絶縁バリアは、システムの部品を分離して、低電圧の部分を損傷から保護します。異なるコモンモード電圧レベルで動作するため、AMC131M03/AMC131M03-Q1はシャント電流センサを使用した多相エネルギーメータリングアプリケーションにおいて優れた選択肢となります。Texas Instruments AMC131M03-Q1は、自動車アプリケーションのAEC-Q100認定を取得しています。
特徴
- ディファレンシャルまたはシングルエンド入力を備えた3つの絶縁された同時サンプリング(Δ Σ)ADC
- 統合DC/DCコンバータを備えたシングルサプライ動作(3.3Vまたは5V)
- CISPR-11およびCISPR-25規格に適合する低EMI
- 最大64kSPSのプログラマブルデータレート
- 最大128のプログラマブルゲイン
- 低ドリフト内部電圧基準
- 内部温度センサ
- 巡回冗長検査 (CRC) が搭載された4-wire SPIインターフェイス
- 安全関連認定
- DIN EN IEC 60747-17 (VDE 0884-17) に準拠した7070VPEAK 強化絶縁
- UL1577に準拠した1分間の 5000VRMS 絶縁
- 20ピン型ワイドボディSOICパッケージ
- 動作温度範囲: –40°C~+125°C
アプリケーション
- 電子メーター(商用、住居用)
- サーキットブレーカ
- EV充電ステーション
- バッテリ管理システム
機能ブロック図
公開: 2023-12-18
| 更新済み: 2024-01-04
