Texas Instruments bq7961x/bq7961x-Q1バッテリモニタ
Texas Instruments bq7961x/bq7961x-Q1 バッテリーモニタ、バランサ、およびプロテクタは、HEV/EVの高電圧バッテリ管理システムの12S、14S、および16Sバッテリモジュールに対して、200µ秒未満で高精度のセル電圧測定を提供します。このファミリのモニターには、同じパッケージタイプの差動チャンネルオプションがあり、ピン-to-ピン互換性を実現し、あらゆるプラットフォームで確立されたソフトウェアとハードウェアの高い再利用をサポートしています。集積フロントエンド・フィルタによって、セル入力チャンネルでのシンプルな低電圧定格、差動RCフィルタを活用したシステムの実装が可能になります。集積、ポストADC、ローパスフィルタを使用すると、より良い充電状態(SOC)の計算を目的として、フィルタリングされたDCのような電圧計測が可能になります。Texas Instruments bq7961x/bq7961x-Q1は、温度モニタリングによる自律的な内部セルバランシングをサポートし、自動一時停止し、バランシングを再開して過熱状態を回避します。特徴
- 車載アプリケーション向けに品質評価済
- 以下の結果でAEC-Q100認定済み
- デバイス温度グレード1(–40°C~+125°C動作周囲温度範囲)
- デバイスHBM ESD分類レベル2
- デバイスCDM ESD分類レベルC4B
- 機能安全準拠
- 機能安全アプリケーション用に開発済
- ISO 26262システム設計を支援する文書
- ASIL Dに準じた体系的な機能
- ASIL Dに準じたハードウェア機能
- +/- 1.5mV ADC精度
- ピンパッケージおよびソフトウェアに互換性のあるデバイスファミリ
- 積み重ね可能なモニタ16S(bq79616-Q1)および(BQ79616H-Q1)、14S(bq79614-Q1)、および12S(bq79612-Q1)
- 単体モニタ48Vシステム(bq75614-Q1)
- 電圧と温度診断用の内蔵冗長パス
- すべてのセルチャンネルを対象とした128µs以内の高精度セル電圧測定
- 集積ポストADC構成式デジタル・ローパス・フィルタ
- バスバーの接続と計測をサポート
- PORのようなデバイス・リセットをエミュレートする内蔵ホスト制御のハードウェアリセット
- 内部セルバランシングをサポート
- 240mAでのバランシング電流
- 内蔵バランシング熱管理(自動一時停止と再開制御搭載)
- オプションのリングアーキテクチャを用いた絶縁差動デイジーチェーン通信
- 通信線を介した組み込み障害信号と心臓の鼓動
- UART/SPIホストインターフェイス/通信ブリッジデバイスbq79600-Q1
- 内蔵SPIマスター
アプリケーション
- ハイブリッドと電気パワートレインシステムのバッテリマネジメントシステム(BMS)
- エネルギー貯蔵バッテリパック(バッテリマネジメントシステム搭載)
データシート
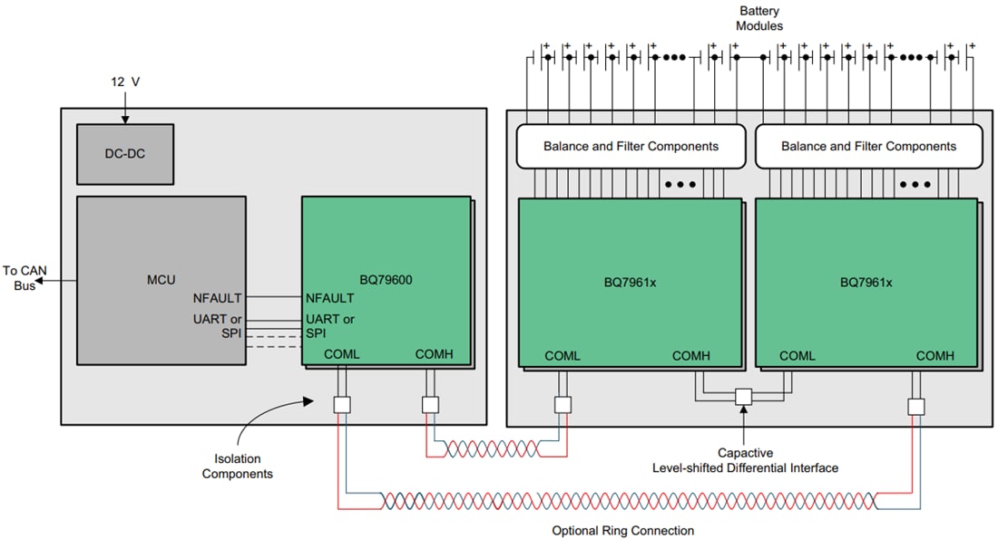
システム簡略図
公開: 2021-01-22
| 更新済み: 2024-10-16
