Texas Instruments CD74AC151 8入力 データセレクタ/マルチプレクサ
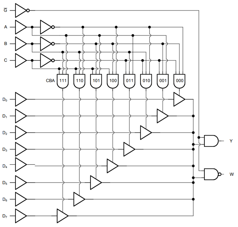
Texas Instruments CD74AC151 8入力データセレクタ/マルチプレクサは、8つのデータソースから1つを選択するためのフルバイナリデコード機能を備えています。入力をイネーブルにするには、ストローブ(G)入力がLOWロジックレベルである必要があります。ストローブ端子がHIGHレベルになると、強制的にW出力を「HIGH」に、Y出力を「LOW」にします。Texas Instruments CD74AC151は、電源電圧の30%でバランスのとれたノイズ耐性を実現し、動作範囲は1.5V~5.5Vです。特徴
- ACタイプは1.5V〜5.5Vで動作し、電源電圧の30%でバランスのとれたノイズ耐性を実現
- 8ライン入力1ライン出力マルチプレクサは、次のように動作可能
- ブール関数ジェネレータ
- パラレル・シリアル間コンバータ
- データソースセレクタ
- 消費電力を大幅に低減したバイポーラF/AS/Sの速度、平衡化された伝搬遅延
- ±24mAの出力駆動電流、15個のFデバイスにファンアウト
- SCRラッチアップ耐性の高いCMOSプロセスと回路設計
アプリケーション
- データのルーティングと選択
- 演算および論理ユニット(ALU)
- 試験および測定機器
- 通信システムにおける信号多重化
- 制御システム
- 汎用ロジック設計
論理図(正論理)
公開: 2025-07-07
| 更新済み: 2025-07-17
