Texas Instruments INA301/-Q1ゼロドリフト電流シャントモニタ
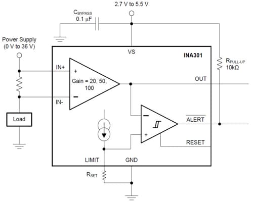
Texas Instruments INA301/INA301-Q1ゼロドリフト電圧出力電流シャントモニタには、高コモンモードの電流検知アンプと高速コンパレータの両方が搭載されています。 これらは電流検出またはシャント抵抗で発生する電圧を測定し過電流を検出するように構成されており、定義された閾値の限界に対してその電圧を比較します。 本製品には、単一の外付け上限設定レジスタを用いて設定された調整可能な閾値が組み込まれています。 この電流シャントモニタは、供給電圧とは独立した、電圧範囲0V~36Vのコモンモードで、差動電圧信号を測定することができます。 INA301-Q1デバイスは、車載用アプリケーションを対象としたAEC-Q100認定を受けています。特徴
- 0V to 36V wide common-mode input range
- High accuracy amplifier
- 35µV (max) offset voltage
- 0.5µV/°C (max) offset voltage drift
- 0.1% (max) gain error
- 10ppm/°C gain error drift
- Available amplifier gains
- INA301A1: 20V/V
- INA301A2: 50V/V
- INA301A3: 100V/V
- Dual output (amplifier and comparator output)
- The programmable alert threshold set through a single resistor
- 1µs total alert response time
- Open-drain output with latching mode
- VSSOP-8 package
アプリケーション
- Overcurrent protection
- Power-supply protection
- Circuit breakers
- Computers and servers
- Telecom equipment
- Battery management
Datasheets
Functional Block Diagram
公開: 2016-05-04
| 更新済み: 2022-03-11
