TI INA851完全差動計測アンプは、スーパーベータ入力トランジスタの採用により、非常に小さな入力バイアス電流および入力換算電流ノイズを実現しています。デバイスは、比類のない低電圧ノイズ、入力オフセット電圧、オフセット電圧ドリフトが実現する最先端の製造プロセスが特徴です。追加の回路によって、±40Vを上回る過電圧からINA851入力を保護します。加えて、デバイスの出力にクランプ回路を内蔵しており、オーバードライブによる損傷からADCや下流のデバイスを保護します。
INA851は、8V(最小値)~36V(最大値) の範囲の単一電源、または±4V~±18V の範囲のデュアル電源で動作の動作に最適です。
特徴
- 外付け抵抗器を使用することで G = 0.2~10,000 の範囲でゲインをプログラム可能
- クランプ機能を内蔵した完全差動出力
- 低オフセット電圧 10µV(標準値)、35µV(最大値)
- 低オフセットドリフト 0.1µV/°C(標準値)、0.3µV/ C(最大値)
- 小入力バイアス電流 5nA(標準値)
- 入力段ノイズ 3.2nV/√Hz、0.8pA/√Hz
- 広い帯域幅 G = 0.2時に22MHz、G = 1時に15MHz
- 同相除去 G = 10 時に106dB(最小値)、100 ≤ G ≤ 1000 時に 120dB(最小値)
- 電源除去 G = 1時に110dB(最小値)
- 供給電流 6mA(標準値)
- 電源を超えた±40Vまでの入過過電圧保護
- 供給範囲:
- 8V~36V単供給
- ±4V~±18Vデュアル供給
- -40°C~+125°Cに指定された温度範囲
- 16ピンの小型VQFNパッケージ
アプリケーション
- アナログ入力モード
- 流量トランスミッタ
- LCDテスト
- 心電図(ECG)
- 手術用機器
- オシロスコープ(DSO)
- 重量スケール
- 半導体テスト
ADCドライバ・アプリケーション
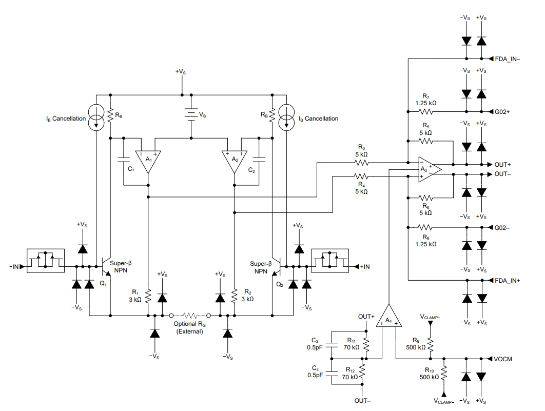
詳細な回路図
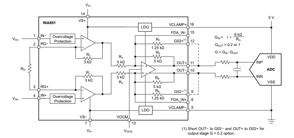
ブロック図
公開: 2022-12-20
| 更新済み: 2022-12-23

