TI ISO1640EVM評価モジュールは、ISO1640およびISO1641デバイスのさまざまなシステムパラメータを評価できます。テスト信号やシーケンスをデバイスチャネルに適用することで、異なるデバイス条件における伝搬遅延、立ち上がり/立ち下がり時間、消費電力などのパラメータの性能特性を評価することができます。
特徴
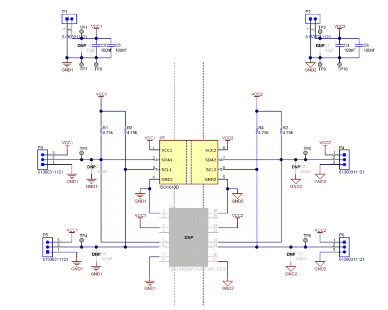
- DおよびDWパッケージに収められたISO1640およびISO1641の評価に使用
- サイド1で3V〜5.5V、サイド2で2.25V〜5.5Vの電源電圧とレベル変換範囲
- 絶縁、双方向、I2C互換通信
- スタンドアロン評価または大規模システムでの評価のためのテストポイントとヘッダ
- 絶縁壁の寿命 >40年
ボードレイアウト
基本的なEVM動作
回路図
公開: 2020-10-28
| 更新済み: 2024-09-10

