TI ISO6741DWEVM評価モジュールは、最小の外付け部品でISO67xxデバイスを評価する上で十分なテストポイントとジャンパオプションが特徴です。
特徴
- ロースピード、トリプルおよびクワッドチャンネル・デジタルアイソレータ
- 1.71V~5.5Vワイド供給およびレベル変換範囲
- 高い信号化速度:最大50Mbps
- 絶縁壁の寿命 >40年
ボードレイアウト
基本的なEVM動作
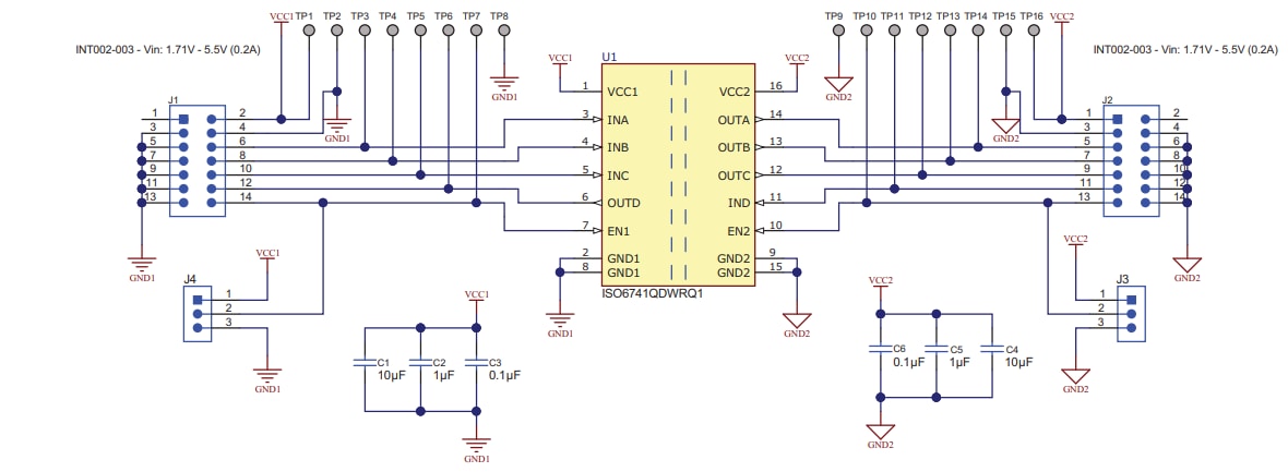
回路図
公開: 2020-10-07
| 更新済み: 2024-08-28

