Texas Instruments ISOW1044DFMEVMトランシーバ評価モジュール
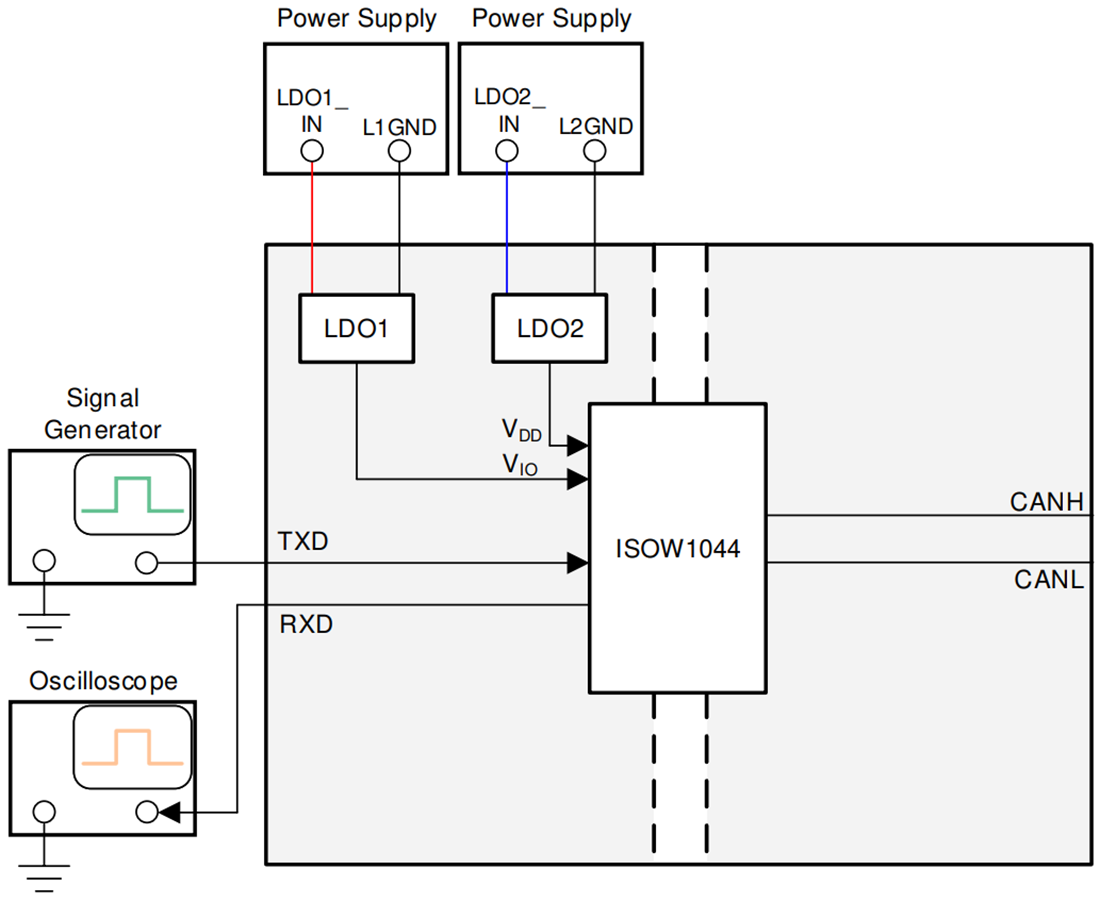
Texas Instruments ISOW1044DFMEVMトランシーバー評価モジュール(EVM)は、ISOW1044の評価に使用されます。ISOW1044は、高性能、5000VRMS強化絶縁CANトランシーバで、統合高効率、低排出DC-DCコンバータISOW1044が搭載されており、20ピンWB SOICパッケージ(パッケージコードDFM)に収められています。ISOW1044DFMEVMを使用すると、ユーザーはデバイスを設計に組み込む前にISOW1044デバイスを完全に評価できます。この評価モジュールが安定化電源、標準DCアダプタ、バッテリを始めとするさまざまな電源からの給電を促進できるように、評価モジュールには2つの調整可能な出力LDO(LM317M)が含まれています。これらのLDOは、ISOW1044のVIOおよびVDDピンに接続されています。この接続によって、LDO入力をより広範な供給電圧に接続できます。評価モジュールの通常動作に最適な電圧は、9V~12Vです。Texas Instruments ISOW1044DFMEVMには、0ΩレジスタからISOW1044の入力ピン(TXDおよびIN)に接続できるオンボード発振器(LTC6908-1)も搭載されています。発振器は、デバイスの動作を検証するための迅速なテスト信号の提供に役立ちます。特徴
- 高性能で、統合された高効率の低排出DC-DCコンバータを搭載した、5000VRMS強化絶縁型CANトランシーバー
- 個別のIOおよびDC/DC供給入力
- 1.71V ~ 5.5VのIO向けの広い電源電圧範囲
- CAN FDをサポート
- CISPR 32 class B放射エミッション制限に適合
- この評価モジュールはテスト済で、ISOW1044デバイスの評価用の規定が含まれています。
テストセットアップ
公開: 2021-05-17
| 更新済み: 2022-03-11
