Texas Instruments LM2576x SIMPLE SWITCHER®電圧レギュレータ
Texas Instruments LM2576x SIMPLE SWITCHER®電圧レギュレータは、降圧型(バック)スイッチングレギュレータのすべてのアクティブ機能を実現しているモノシリック統合回路です。これらのレギュレータは、3A負荷を駆動する能力があり、優れたラインおよび負荷安定化が備わっています。LM2576xは、固定出力電圧3.3V、5V、12V、15V、および調節可能出力バージョンでご用意があります。LM2576x電圧レギュレータは、人気が高い3端子リニアレギュレータに代わる高効率の代替製品です。これらの電圧レギュレータは、高効率、TTLシャットダウン機能が特徴で、スイッチモード電源の設計を大幅に簡素化します。特徴
- 3.3V、5V、12V、15V調整可能出力バージョン
- 1.23V~37V(HVバージョンは57V)±4%最大過剰ラインおよび過負荷状態の出力電圧範囲を調整できるバージョン
- 3A出力電流を保障済
- HVバージョン向け40Vおよび最高60Vの広い入力電圧範囲
- 4個の外付け部品のみが必要
- 52kHz固定周波数内部発振器
- TTLシャットダウン機能および低消費電力スタンバイモード
- 高い効率性
- 簡単に利用できる標準インダクタを採用
- サーマルシャットダウンと電流制限保護
- P+製品拡張試験済
アプリケーション
- シンプルな高効率の降圧型(バック)レギュレータ
- リニアレギュレータ用の効率的なプリレギュレータ
- オンカード・スイッチングレギュレータ
- 正対負コンバータ(バック-ブースト)
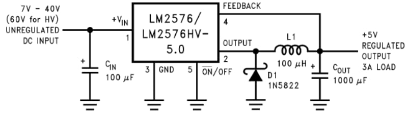
アプリケーション回路
公開: 2019-07-19
| 更新済み: 2023-09-29
