Texas Instruments 備えたLM36010同期ブースト・シングルLEDフラッシュ・ドライバ
Texas Instruments LM36010同期ブースト超小型LEDフラッシュ・ドライバは、1.5Aハイサイド電流源を生成でき、高いレベルの調整が可能です。LM36010超小型LEDフラッシュ・ドライバは、合計ソリューション・サイズが7mm2で、最大1.5AのLEDフラッシュ電流、または最大376mAのトーチ電流を生成できます。2MHzまたは4MHzの固定周波数の同期整流昇圧コンバータを利用して、1.5Aの定電流LEDソースを駆動できます。電流源は、最大限の効率性を確保できる適応安定化手法によって安定化状態が保たれます。この安定化方式によって、フラッシュ・モードで11mA~1.5Aの電流、あるいはトーチ・モードで2.4mA~376mAの電流を制御します。I2C互換インターフェイスは、ハードウェア・フラッシュ(STROBE)、またフラッシュとムービー・モード(トーチ)の両方でプログラム可能な128の電流などの、LM36010の機能を制御します。2MHzまたは4MHzのスイッチング周波数、過電圧保護(OVP)、可変電流制限により、小さな薄型のインダクタと、セラミック・コンデンサを使用できます。特徴
- 高精度でプログラム可能なLED電流
- 11mA~1.5A(128レベル)のフラッシュ/IR電流範囲
- 2.4mA~376mA(128レベル)トーチ電流範囲
- フラッシュ・タイムアウト最大1.6秒まで
- 接地カソードLED動作により熱管理を改良
- 小型総合ソリューション・サイズ: <7mm2
- ハードウェア・ストローブ・イネーブル(STROBE)
- 入力電圧範囲: 2.5V~5.5V
- 低バッテリ状態中に最適化されたフラッシュLED電流(IVFM)
- 400kHz I2C互換インターフェイス
- I2Cアドレス= 0x64
アプリケーション
- 携帯電話
- タブレット
- IR LEDドライバ
- ビデオ監視: IPカメラ
- バーコードスキャナ
- ポータブルデータ端末
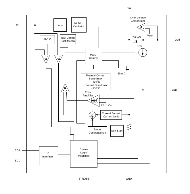
機能図
公開: 2018-07-13
| 更新済み: 2022-11-03
