Texas Instruments LM36011インダクタレスLEDフラッシュドライバ
Texas Instruments LM36011インダクタレスLEDフラッシュ・ドライバは、高いレベルの調整が可能で、4mm2という小型ソリューション・サイズです。このデバイスは、最大1.5AのLEDフラッシュ電流または最大376mAまでのトーチ電流を生成します。この電流ソースは正確なプログラミングが可能で、事前に電圧の調整を必要とせずこの電流を保持することができ、ソリューション・サイズとコストの両方を節約できます。I2C互換インターフェイスは、ハードウェア・フラッシュ(STROBE)、タイムアウト、UVLO、サーマル・スケールバック、LED障害検出、およびフラッシュとムービー・モード(トーチ)の両方でプログラム可能な128の電流など、LM36010の機能を制御します。LM36011は、–40°C~+85°C周囲温度範囲全体で動作します。特徴
- 高精度でプログラム可能なLED電流
- 11mA~最大1.5A(128レベル)のフラッシュ/IR電流範囲
- 2.4mA~最大376mA(128レベル)トーチ電流範囲
- フラッシュ・タイムアウト最大1.6秒まで
- 低バッテリ状態中に最適化されたフラッシュLED電流(IVFM)
- 熱管理の改善を目的とした接地カソードLED動作
- 小型総合ソリューション・サイズ: <4mm2
- ハードウェア・ストロボ・イネーブル(ストロボ)
- 入力電圧範囲2.5V~5.5V
- 400kHz I2C互換インターフェイス
- I2Cアドレス= 0x64
アプリケーション
- 携帯電話
- タブレット
- IR LEDドライバ
- ビデオ監視: IPカメラ
- バーコードスキャナ
- ポータブルデータ端末
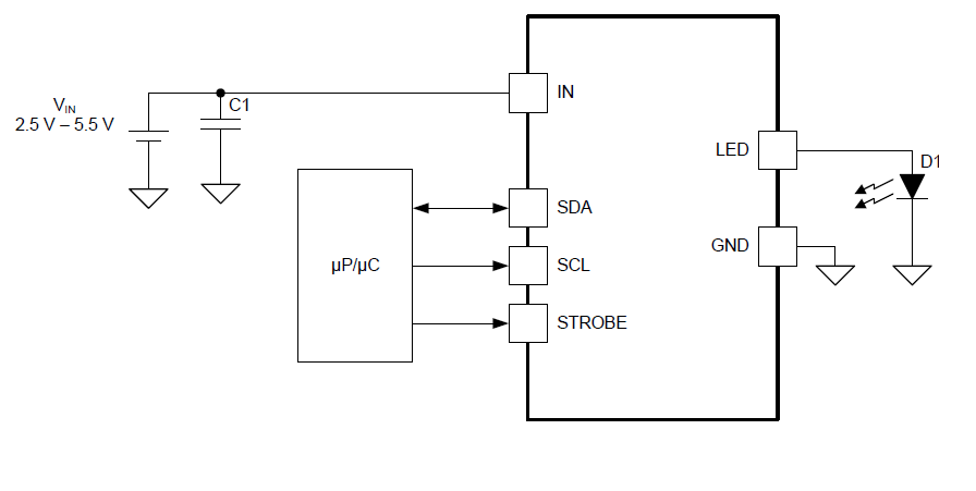
回路図
公開: 2018-07-13
| 更新済み: 2022-11-10
