2つのLM66100低IQ最適ダイオードは、デュアルダイオードORing実装と同様にORing構成で使用できます。この構成によってLM66100は、入力供給への逆電流を阻止しつつ、もっとも高レベルの入力電圧を出力に渡すことができます。LM66100最適ダイオードは、入力電圧と出力電圧を比較し、内部電圧コンパレータから逆電流を確実に阻止できます。
LM66100は、接合部温度範囲–40°C~125°Cで動作し、スタンダードのSC-70パッケージでご用意があります。
特徴
- 広い動作電圧範囲: 1.5V – 5.5V
- VINでの逆電圧スタンドオフ: –6V絶対最大
- 最大連続電流(IMAX): 1.5A
- オン抵抗(RON) :
- 5V VIN = 79mΩ(標準)
- 3.6V VIN = 91mΩ(標準)
- 1.8V VIN = 141mΩ(標準)
- コンパレータチップイネーブル(CE)
- チャンネル・ステータス表示(ST)
- 低消費電流:
- 3.6V VINシャットダウン電流(ISD、VIN): 120nA(標準)
- 3.6V VIN自己消費電流(IQ、VIN): 150nA(標準)
アプリケーション
- スマートメータ
- ビルオートメーション
- GPSと追跡
- プライマリおよびバックアップバッテリ
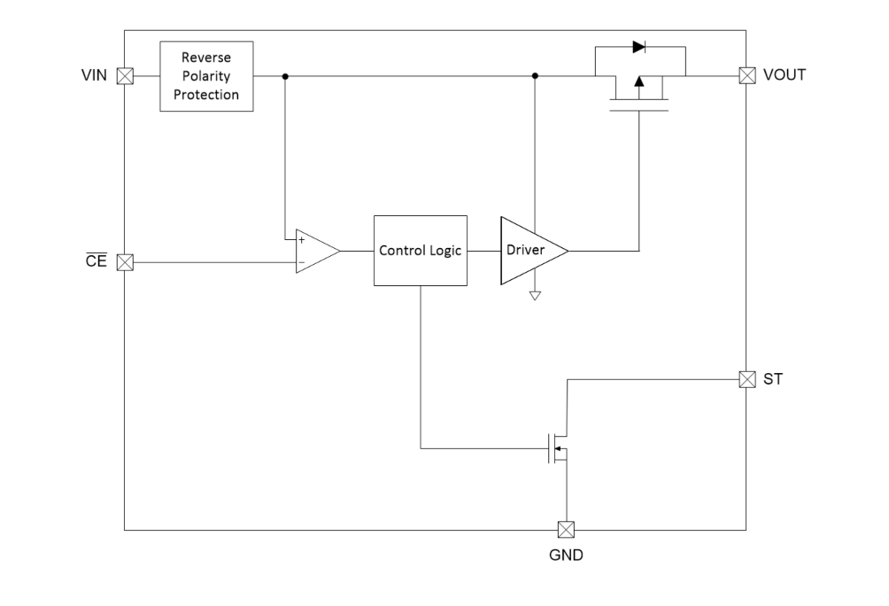
機能図
公開: 2019-07-24
| 更新済み: 2023-10-09

