Texas Instruments LMK04906 Clock Jitter Cleaner/Multiplier
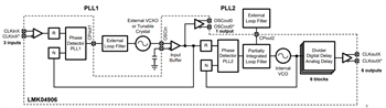
Texas Instruments LMK04906 Clock Jitter Cleaner/Multiplier provides superior clock jitter cleaning, generation, and distribution with advanced features to meet high-performance timing application needs. The LMK04906 accepts 3 clock inputs ranging from 1kHz to 750MHz. It generates 6 unique clock output frequencies ranging from 2.26MHz to 2.6GHz. The LMK04906 can also buffer a crystal or VCXO to generate a 7th unique clock frequency. The device provides virtually all frequency translation combinations required for SONET, Ethernet, Fibre Channel, and multi-mode Wireless Base Stations. The LMK04906 input clock frequency and clock multiplication ratio are programmable through an SPI interface.Features
- Ultra-low RMS jitter performance:
- 100fs RMS jitter (12kHz to 20MHz)
- 123fs RMS jitter (100Hz to 20MHz)
- Dual loop PLLatinum™ PLL architecture:
- PLL1:
- Integrated low-noise crystal oscillator circuit
- Holdover mode when input clocks are lost
- Automatic or manual triggering/recovery
- PLL2:
- Normalized [1Hz] PLL noise floor of -227dBc/Hz
- Phase detector rate up to 155MHz
- OSCin frequency-doubler
- Integrated low-noise VCO
- 3 Redundant input clocks with LOS:
- Automatic and manual switch-over modes
- 50% Duty cycle output divides, 1 to 1045 (even and odd)
- LVPECL, LVDS, or LVCMOS programmable outputs
- Precision digital delay, fixed or dynamically adjustable
- 25ps Step analog delay control
- 6 Differential outputs with up to 12 single-ended
- Up to 5 VCXO/crystal buffered outputs
- Clock rates of up to 2600MHz
- 0 Delay mode
- Three default clock outputs at power-up
- Dual PLL, single PLL, and clock distribution multi-modes
- -40 to 85°C Industrial temperature range
- 3.15V to 3.45V operation
- 64-Pin WQFN (9.0mmx9.0mmx0.8mm) package
Applications
- 10G/40G/100G OTN line cards
- SONET/SDH OC-48/STM-16 and OC-192/STM-64 line cards
- GbE/10GbE, 1/2/4/8/10GFC line cards
- ITU G.709 and custom FEC line cards
- Synchronous Ethernet
- Optical modules
- DSLAM/MSANs
- Test and measurement
- Broadcast video
- Wireless base stations
- Data converter clocking
- Microwave ODU and IDUs for wireless backhaul
公開: 2015-12-17
| 更新済み: 2022-03-11
