Texas Instruments OPA3S328EVMオペアンプ評価モジュール(EVM)

Texas Instruments OPA3S328EVMオペアンプ評価モジュール(EVM)は、OPA3S328の機能にアクセスし、性能を測定するように設計されています。Texas Instruments OPA3S328は、高精度、低電圧CMOSオペレーショナルアンプで、柔軟性に富んだトランスインピーダンス・アプリケーション向けに最適化された統合スイッチが搭載されています。

特徴

  • 異なるトランスインピーダンス回路構成に構築されたOPA3S328デバイスが搭載された2つの独立したサイト
  • 高速(40MHz)
  • 高精度(25µV)

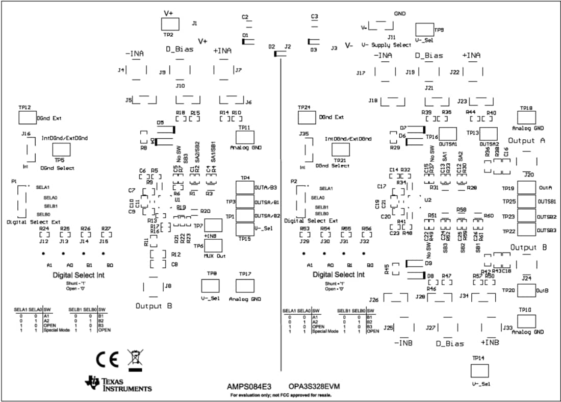
ボード上部のオーバーレイ

機械図面 - Texas Instruments OPA3S328EVMオペアンプ評価モジュール(EVM)
公開: 2021-08-11 | 更新済み: 2022-03-18