Texas Instruments PFCLLCSREVM034 AC to 絶縁DC評価モジュール

Texas Instruments PFCLLCSREVM034 AC - 絶縁DC評価モジュール(EVM)は、UCC28056B、UCC25604、UCC24624デバイスを評価します。評価モジュールは、トランジション・モード力率補正フロント・エンドと絶縁型ハーフブリッジLLC共振コンバータ(同期整流)を備えた168WAC/DC電源です。Texas Instruments のPFCLLCSREVM034は、90Vrms から264Vrms までの AC 入力を受け付け、168W全負荷出力電力で12VDC を出力します。

特徴

  • 低コスト単層プリント基板
  • AC入力電圧:90Vrms ~264Vrms
  • 安定化12VDC 標準出力
  • 全負荷電力168W、またはの全負荷電流14A
  • 最適化された低電力機能により、極めて低い待機電力を実現
  • 高効率
  • 可聴ノイズを最小限に抑えるためのバースト・ソフト・オンとソフト・オフが搭載された高度バースト・モード
  • Xコンデンサ放電
  • デバイスおよびトポロジの評価を促進するテストポイント

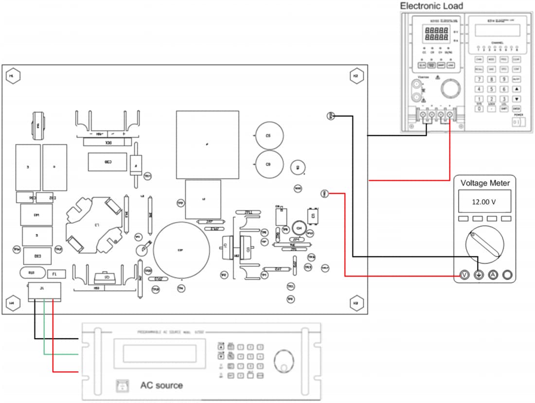
必要な機器

  • AC電圧源
    • 単相出力AC電圧85~265VAC、47~63Hz、調整可能、最小定格電力100Wおよび電流制限機能付き
    • 使用するAC電圧源は、IEC60950の強化絶縁要件を満たす必要があります。
  • DCデジタルマルチメータ
    • 0VDC~450VDC入力範囲に対応できる装置1台、4桁ディスプレイを推奨
    • 0VDC~20VDC入力範囲に対応できる装置1台、4桁ディスプレイを推奨
  • 出力負荷
    • 0VDC~20VDC、0A~14A、0W~300Wまたはそれ以上を受け取る能力があるDC負荷で、負荷電流や負荷電力といった情報を表示する能力があります。
  • オシロスコープ
    • 500MHzのフル帯域幅、デジタルまたはアナログ(デジタル、5Gsps、それ以上の場合)が可能
  • ファン
    • 強制空気200~400LFMを推奨しますが、必須ではありません。
  • 推奨されるワイヤゲージ
    • 25Aの能力があり、あるいは#14 AWGより良好、ワイヤ全長8フィート未満(入力4フィート、リターン4フィート)

アプリケーション

  • 工業AC-DCアダプタ
  • 電力ツール
  • 医療電源
  • 多機能プリンタ
  • 企業および映画プロジェクタ
  • PC電源
  • ゲームコンソール電源

テストセットアップ

機械図面 - Texas Instruments PFCLLCSREVM034 AC to 絶縁DC評価モジュール
公開: 2020-08-24 | 更新済み: 2024-08-16