TIREF1112は-40°C〜+85°Cで仕様が規定され、-40°C〜+125°Cで動作します。これらのデバイスは、OPA349およびTLV240x低電力オペアンプやTLV349xマイクロパワー電圧コンパレータなど、Texas Instrumentsの他の1μA部品を補完します。
特徴
- SOT23-3小型パッケージ
- 固定の逆方向ブレークダウン電圧:1.25V
アプリケーション
- バッテリ駆動計器
- ビルのセキュリティセンサ
- 医療機器
- フィールドトランスミッタ
- 校正器
仕様
- 出力電圧許容誤差:±0.2%(最大値)
- 低い出力ノイズ(0.1Hzto10Hz):25μVpp(標準値)
- 温度範囲-40°C~+125°C
- 動作電流範囲:1.2μA〜5mA
- 低い温度係数:0°C~+70°Cで30ppm/°C(最大値)
- 低い温度係数:-40°C~+85°Cで50ppm/°C(最大値)
アプリケーション図
ピン配列
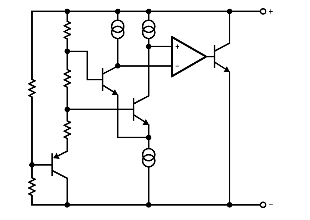
機能ブロック図
公開: 2025-01-17
| 更新済み: 2025-01-28

