Texas Instruments SN74ACT2G100/SN74ACT2G100-Q1フリップフロップ
テキサス・インスツルメンツ (Texas Instruments)SN74ACT2G100/SN74ACT2G100-Q1フリップフロップには、2つの独立したDタイプ・フリップフロップが搭載されており、立ち上がりエッジトリガクロック、アクティブロークリア、構成可能な論理データ入力が備わっています。データ入力は、バッファ、インバータ、AND、OR、NAND、NOR、XOR、XNORなど、複数の 1-入力および2入力論理機能用に構成できます。TI SN74ACT2G100/SN74ACT2G100-Q1フリップフロップのすべての入力には、シュミットトリガアーキテクチャがあり、低速またはノイズの多い入力シグナルをサポートします。SN74ACT2G100-Q1デバイスは、自動車アプリケーション用に AEC-Q100認定済みです。
特徴
- 自動車アプリケーション用に AEC-Q100認定済み:
- デバイス温度グレード1:-40°~+125°
- デバイスHBM ESD分類レベル2
- デバイス CDM ESD耐性分類レベル:C4B
- ウェッタブルフランク付きQFNパッケージで入手可能
- 動作電圧範囲:4.5V~5.5V
- TTL互換シュミットリガ入力によって、低速またはノイズが多い入力信号をサポート
- 5Vで±24mAの連続出力ドライブ
- 短いバーストで最大±75mA出力駆動をサポート(5V時)
- 50Ω伝送ラインをドライブ
- 遅延時間10.4ns(最大)の高速動作
アプリケーション
- コントローラのリセット中に信号を保持
- 低速エッジレート信号の入力
- ノイズの多い環境での動作
データシート
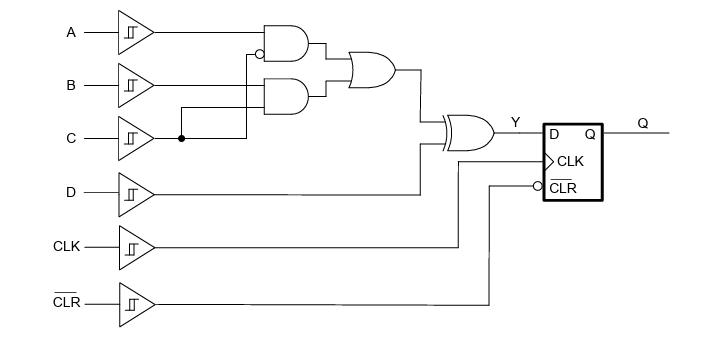
論理図(正論理)
公開: 2026-01-06
| 更新済み: 2026-01-12
