Texas Instruments SN74HC74/SN74HC74-Q1デュアル D タイプ フリップフロップ
Texas Instruments SN74HC74/SN74HC74-Q1 デュアルDタイプフリップフロップには、2つの独立したDタイプ正のエッジトリガフリップフロップが搭載されており、それぞれ非同期プリセットとクリアピンを備えています。これらのデバイスは、2V ~ 6Vの広い動作電圧範囲、および-40°C ~ +85°Cの広い動作温度範囲を備えています。SN74HC74-EPデバイスは、ゴールドボンドワイヤ、温度範囲 –55 ~ +105°C、SnPbリード仕上げがあります。Texas Instruments SN74HC74-Q1デバイスは、自動車アプリケーション向けAEC-Q100認定を取得しています。特徴
- バッファ入力
- 動作温度範囲
- SN74HC74: -40°C~+85°C
- SN74HC74-EP: -55°C~125°C
- SN74HC74-Q1:–40°C~+125°C
- 2V〜6Vの広い動作電圧 範囲
- 最大10個のLSTTL負荷ファンアウトに対応
- LSTTL 論理ICと比較し、大幅な電力削減
アプリケーション
- モーメンタリスイッチをトグルスイッチに変換
- クロック信号を2つまたは4つで分周
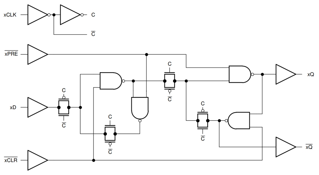
機能ブロック図
公開: 2025-05-01
| 更新済み: 2025-05-09
