Texas Instruments SN74HCS16507/SN74HCS16507-Q1シフトレジスタ

Texas Instruments SN74HCS16507/SN74HCS16507-Q18ビット・パラレル・ロード・シフト・レジスタは、オープンドレイン出力のパラレルまたはシリアル・イン、シリアル・アウトの8ビット・シフト・レジスタです。 この装置には2つの動作モード(負荷データとシフトデータ)があります。Texas Instruments のSN74HCS16507-Q18 ビット並列ロード・シフト・レジスタは、AEC-Q100車載アプリケーション向けに認定されています。

特徴

  • 広い動作電圧範囲: 2V~6V
  • シュミットトリガー入力により、低速またはノイズの多い入力信号にも対応
  • 拡張周囲温度範囲:40°C ~+125°C、TA
  • 出力ドライブ:7.8mA(6V時)
  • 低電力消費
    • 標準ICC :100nA
    • 標準入力リーク電流±100nA

アプリケーション

  • マイクロコントローラでの入力の数を増大

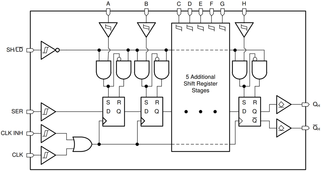
機能ブロック図

ブロック図 - Texas Instruments SN74HCS16507/SN74HCS16507-Q1シフトレジスタ
公開: 2020-08-21 | 更新済み: 2024-08-15