Texas Instruments SN74HCS166/SN74HCS166-Q1シフトレジスタ

Texas Instruments SN74HCS166/SN74HCS166-Q1 8ビット並列負荷シフトレジスタには、1つの直列入力と8つの並列負荷入力を備えた8ビットのシフトレジスタが含まれています。Texas Instruments SN74HCS166-Q1デバイスは、自動車アプリケーションのAEC-Q100認定を受けています。

特徴

  • 広い動作電圧範囲: 2V~6V
  • シュミットリガ入力によって、低速またはノイズが多い入力信号が実現
  • 6Vでの±7.8mA出力ドライブ
  • –40°C~+125°C、TA 拡張周囲温度範囲
  • 低電力消費
    • 標準 ICC :100nA
    • 標準入力リーク電流:±100nA

アプリケーション

  • 入力拡張
  • 8ビットデータストレージ

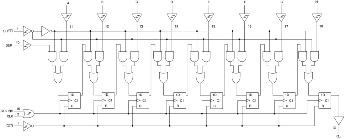
機能ブロック図

ブロック図 - Texas Instruments SN74HCS166/SN74HCS166-Q1シフトレジスタ
公開: 2020-08-11 | 更新済み: 2024-08-01