Texas Instruments SN74HCS595-Q1車載用8ビット・シフトレジスタ

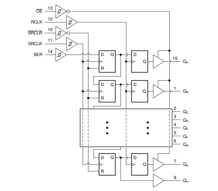
Texas Instruments SN74HCS595-Q1車載用8ビット・シフトレジスタは、8ビット、シリアル入力、パラレル出力シフトレジスタが搭載されているデバイスです。個のレジスタは、8ビットDタイプ記憶レジスタを供給します。すべての入力にはシュミットトリガが搭載されており、エッジの遅い入力信号またはノイズの多い入力信号によるエラー出力を排除します。この記憶レジスタには、並列の3ステート出力があります。個別のクロックが、シフトと記憶レジスタの両方にあります。

特徴

  • 車載アプリケーション向けAEC-Q100認定:
    • デバイス温度Grade 1: –40°C~+125°C、TA
    • デバイスHBM ESD分類レベル2
    • デバイスCDM ESD分類レベルC6
  • 広い動作電圧範囲: 2V~6V
  • シュミットリガ入力によって、低速またはノイズが多い入力信号が実現
  • 低消費電力
    • 標準的な100nAのICC
    • 標準的な入力漏れ電流±100nA
  • 5Vでの±7.8mA出力ドライブ

アプリケーション

  • 出力拡張
  • LEDマトリックス制御
  • 7セグメントディスプレイ制御
  • 8ビットデータストレージ

ブロック図

ブロック図 - Texas Instruments SN74HCS595-Q1車載用8ビット・シフトレジスタ
公開: 2019-12-23 | 更新済み: 2024-02-13