PREとCLRがインアクティブ(HIGH)になっている場合、セットアップ時間要件を満たしているデータ (D) 入力のデータは、クロック(CLK)パルスの立ち上がりエッジの出力 (Q、Q) に転送されます。ホールド時間のインターバルの後で、出力(Q、Q)のレベルに影響を及ぼすことなく、データ(D)入力のデータを変化させることができます。SN74HCS72-Q1は、車載用アプリケーションのAEC-Q100認定を取得しています。
特徴
- 広い動作電圧範囲: 2V~6V
- シュミットリガ入力によって、低速またはノイズが多い入力信号が実現
- 5Vでの±7.8mA出力ドライブ
- 低消費電力
- 標準的な100nAのICC
- 標準的な入力漏れ電流±100nA
アプリケーション
- モメンタリスイッチをトグルスイッチに変換
- 低速エッジレート信号入力
- 雑音が多い環境での動作
- ウェイクアップパターンを活用したCANコントローラ電源の有効化
シュミットトリガ入力の利点
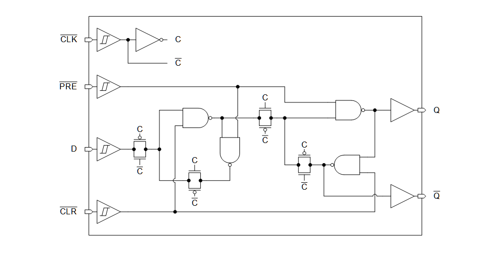
ブロック図
公開: 2019-11-25
| 更新済み: 2024-02-07

