Texas Instruments TAS2770 Mono Class-Dオーディオアンプ
Texas Instruments TAS2770デジタル入力モノClass-Dオーディオアンプには、スピーカIVセンスが搭載されており、小型スピーカに高ピーク電力を効率的に駆動するように設計されています。15.4Wのピーク電力を提供するTAS2770には、継続的に11.6Wを維持しながら、4Ω負荷が使用されています。このデバイスは、12.6Vのバッテリ電圧で0.03%未満のTHD+Nを使用しながら、この機能を提供します。ラウドスピーカ動作のリアルタイム・モニタリングは、統合スピーカ電圧と電流センスによって達成されます。さらに、リアルタイム診断機能には、過電流、過温度、短絡があります。アンプ・ヘッドルームは、バッテリ追跡ピーク電圧リミッタを使用して最適化されており、2Sまたは3Sバッテリシステムの充電サイクル全体を通してブラウンアウトを防止します。I2S/TDMまたはI2Cのどちらか一方の共通バスは、最大8つのデバイスで共有できます。特徴
- 高性能モノClass-Dアンプ20W @ 1% THD+Nで20W(4Ω、16V)
- 15.4W @ 1% THD+N (4Ω, 12.6V)
- 9.1W @ 1% THD+N (8Ω, 12.6V)
- 8.2W @ 1% THD+N (4Ω, 8.4V)
- 4W @ 1% THD+N (8Ω, 8.4V)
- 0.03% THD+N @ 1W (4Ω, VBAT = 12.6V)
- スペクトラム拡散低EMIモード
- 熱と過電流保護
- 32µVrms A加重アイドル・チャンネルノイズ
- 20-20kHzで200 mVPPリップルの90dB PSRR
- 82.5%効率性@ 1W(4Ω、VBAT = 12.6V)
- <1µA HWシャットダウンVBAT電流
- 42mW/63mWアイドル損失(8.4V/12.6V)
- スピーカ電圧と電流センス
- I/Vスピーカセンスを使用したリアルタイム診断
- 過電流
- 短絡(電力不足、接地不足、端子間ショート)
- 過温度
- VBAT追跡ピーク電圧リミッタ(ブラウンアウト防止付き)
- サンプルレート: 44.1kHz~192kHz
- 柔軟性に富んだユーザ・インターフェイス
- I2S/TDM: 8チャンネル(32ビット/96kHz)
- I2C: 8つの選択可能なアドレス
- MCLKフリー動作
- 低ポップアンドクリック
- 電源装置
- VBAT: 4.5V~16V
- AVDD: 1.8V
アプリケーション
- ノートパソコン
- Bluetoothスピーカ
- ホームオートメーション
- スマートスピーカ/IoT
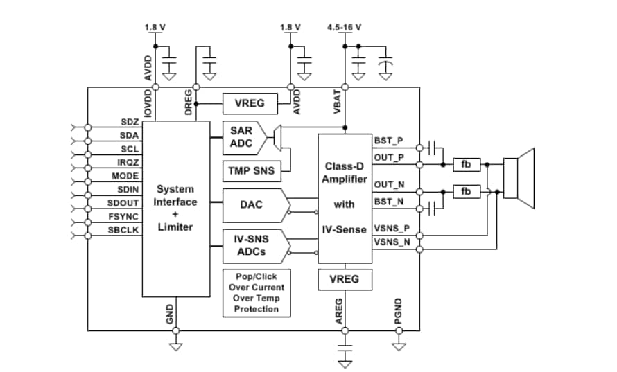
TAS2770のブロック図
公開: 2018-03-30
| 更新済み: 2025-07-03
