TLC694xは、ファインピッチLEDディスプレイへの応用におけるさまざまなディスプレイの問題を解決するように強化された回路が統合されています。これらには、低グレースケール均一性の問題、カップリングの問題、ゴーストの問題、キャタピラーの問題があります。さらに、このデバイスは、LEDオープン検知機能に優れており、シリアル・データ・インターフェイス・ポートからの読取が実現しています。システムの高い信頼性は、サーマル・シャットダウンとIREFレジスタ短絡保護を活用することで確保されています。スマート省電力モードは、すべての出力がオフの場合に総消費電流を1mA(typ)に設定します。
特徴
- 電源電圧範囲
- VCC電圧範囲: 3V~5.5V
- VLED電圧範囲: 最高VCC + 0.3V
- 16個の定電流シンク・チャンネル
- 0.3mA~25mA(3V≤VCC≤5.5V)
- チャンネル電流偏差: ±1%(typ)
- デバイス電流偏差: ±1%(typ)
- 低ニー電圧: 0.3V(typ)@ 10mA
- 7ビット(128ステップ)グローバル輝度制御(BC)
- 16ビット(65,536ステップ)強化スペクトラムPWMグレースケール制御
- 内蔵メモリは、TLC6946で32の多重化、TLC6948で48の多重化をサポート
- LEDディスプレイ性能の向上
- 低グレースケール均一性改善
- 低グレースケール結合問題除去
- ゴースト除去とキャタピラー除去
- 高速シリアルデータ・インターフェイス
- データシフト・クロック: 33MHz(最高)
- グレースケール制御クロック: 33MHz(最高)
- デュアルエッジ・グレースケール制御をサポート
- 診断と保護
- LEDオープン検出 (LOD)
- IREFレジスタ短絡保護(ISP)
- サーマルシャットダウン機能(TSD)
- スマート省電力モード
アプリケーション
- 単色、多色、フルカラーLEDディスプレイ
- 高リフレッシュレートのLEDビデオ・ディスプレイ
- 高密度、ファインピッチLEDマトリックス・ディスプレイ
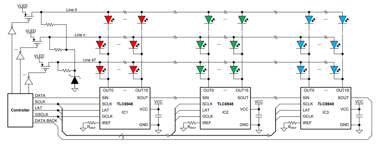
ブロック図
一般的なアプリケーションの簡略図48多重化
公開: 2019-02-20
| 更新済み: 2023-07-19

