Texas Instruments TPS23523ホットスワップおよびORリング・コントローラ
Texas Instruments TPS23523高性能ホットスワップおよびOリングコントローラは、有効化されたハイパワー・テレコムシステムを介して、厳しい過渡要件に準拠しています。TPS23523は200V絶対最大定格を実現しており、雷サージテストを維持できるようになり、400μAソース電流によって迅速リカバリが可能になります。突入電流の制限、より小さなホットスワップFETの使用は、過渡応答を傷つけることなく、ソフトスタート・コンデンサの切断によって可能です。したがって、複数のホットスワップFETを必要とする電力アプリケーションの使用によって、スペースとBOMコストを削減できます。このデバイスのデュアル電流制限によって、ATIS 0600315.2013によって必要とされるようなブラウン出力とと入力ステップをスムーズに通過できるようになります。さらに、コントローラに備わっている正確な不足電圧および過電圧保護にプログラマブル閾値とヒステリシスが用いられています。逆ホックアップ保護および逆電流保護を必要とする-48Vシステムによって、TPS23523統合OR-ingコントローラを使用した最適なソリューションを見つけることができます。入力がOR-ingを降下すると、コントローラが出力を保護し、結果としてシステムのリセットを回避できます。Additionally, the controllers offer accurate undervoltage and overvoltage protection with programmable thresholds and hysteresis. 48V Systems that require reverse hook-up protection and reverse-current protection find an ideal solution with the Texas Instruments TPS23523 integrated OR-ing controller. When the input drops, the OR-ing controller protects the output, avoiding system resets.
特徴
- –10V~–80V DC動作、–200V絶対最大
- ソフトスタート・コンデンサ切断
- デュアルホットスワップゲートドライブ
- 400µAゲートソース電流
- デュアル電流制限(VDSに基づく)
- 低VDSで25mV ±4%
- 高VDSで3mV ±25%
- プログラマブルUV(±1.5%)およびOV(±2%)
- プログラマブル・ヒステリシス(±11%)
- 統合OR-ingコントローラ
- 安定化: 25mV ±15mV
- 高速ターンオフ: –6mV ±4mV
- タイムアウト後に再試行
- 16ピンTSSOP
アプリケーション
- 遠隔無線ユニット
- ベースバンドユニット
- ルーターとスイッチ
- 小型セル
- –48V通信インフラ
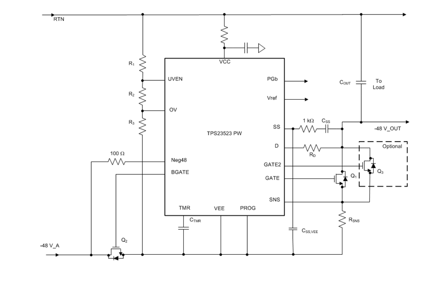
TPS23523のブロック図
公開: 2018-04-11
| 更新済み: 2022-11-22
