Texas Instruments TPS23758 PoE電源デバイス
Texas Instruments TPS23758 PoE電源デバイスには、パワー・オーバー・イーサネット(PoE)駆動デバイス(PD)インターフェイス、150Vスイッチング・パワーFET、電流モードDC-DCコントローラが組み合わされており、フライバック・トポロジ用に最適化されています。TPS23758は、一次側安定化(PSR)、拡散ペクトラム周波数デザリング(SSFE)、高度スタートアップとの高レベルの統合が特徴です。これによってTPS23758は、サイズに制約のあるアプリケーションを対象としたソリューションに最適です。PoE実装は、13W Type 1 PDとしてIEEE 802.3at規格をサポートしています。DC-DCコントローラのPSR機能によって、外部シャントレギュレータとオプトカプラはもはや不要になっており、出力電圧の制御を目的とした補助巻線からの帰還が使用されています。通常はコンバータは、250kHzのスイッチング周波数で動作し、二次側同期整流による連続導通モード(CCM)での動作向けに最適化されています。これによって、最適な全体効率、安定化精度、複数の出力にわたるステップ負荷応答がもたらされます。
このデバイスには、EMIフィルタのサイズとコストの最小化に役立つSFFDおよびスルーレート制御を実現しています。高度スタートアップによって、コンバータの起動とヒカップ設計を簡素化できると同時に、最小限のバイアス・コンデンサのみの使用が可能になります。1次側パワーアダプタの優先順位は、1次補助電力検出(APD)ピンのために実現されています。TPS23758は、非絶縁アプリケーションのバックトポロジに対応しています。
特徴
- Type 1 PoEを対象とした完全IEEE 802.3at PDソリューション
- イーサネット・アライアンス(EA)ロゴ認定済の設計でご用意あり
- 堅牢な100V、0.36Ω(typ)ホットスワップMOSFET
- 0.77Ω(typ)150VパワーMOSFETが搭載された統合PWMコントローラ
- PSR搭載フライバックコントローラ
- 二次側同期FET(マルチ出力)を活用したCCM動作に対応
- ±1%(標準、5V出力)負荷安定化(0~100%負荷範囲) - 同期FET搭載
- ローサイドスイッチ・トポロジをサポート
- 調整可能なスイッチング周波数(外部同期あり)
- ソフトスタート制御(高度スタートアップ搭載)
- EMI低減のためのプログラマブル・スルーレートと周波数ディザリング
- PSR搭載フライバックコントローラ
- プライマリアダプタ優先入力
- 接合部温度範囲: –40°C~125°C
- 小型6mm x 4mm VSONパッケージ
アプリケーション
- IEEE 802.3at準拠の駆動デバイス
- VoIP電話
- 防犯カメラ
- IP電話
- アクセスポイント
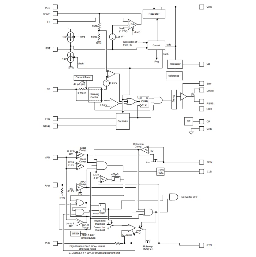
機能図
公開: 2019-07-31
| 更新済み: 2023-10-12
