I2C機能により、閾値、リセット遅延、グリッチフィルタ、およびピン機能を柔軟に選択できます。内部グリッチ耐性およびノイズ・フィルタにより、外部RC部品が不要になり、電源過渡による誤リセットを低減できます。TPS38800-Q1/TPS388R0-Q1は、外付け抵抗なしで過電圧および低電圧リセットのスレッショルドを設定できるため、総合的な精度、コスト、サイズをさらに最適化でき、安全性システムの信頼性も向上します。
特徴
- ASIL-B機能安全準拠の製品
- 機能安全アプリケーションの開発ターゲット
- ISO 26262システム設計を支援する文書
- ASIL Dに準じた体系的な機能
- ASIL Bに準拠したハードウェア機能
- 次の結果でAEC-Q100認定済み:デバイス温度グレード1:-40°C~+125°C
- 最先端のSOCを監視
- ±6mVのスレッショルド精度 (-40°C~+125°C)
- 入力電圧範囲2.5V~5.5V
- 低電圧ロックアウト(UVLO):2.48V
- アイドルモード最大低静止電流:200µA
- 2~8チャネルの構成を利用可能
- 固定ウィンドウのスレッショルドレベル
- 0.2V~1.475Vの5mVステップ
- 0.8V~5.5V、20mV刻み
- 小型パッケージと最小限の部品コスト
- 3mm x 3mm QFNパッケージ
- I2C経由で調整可能なグリッチ耐性
- I2C経由で調整可能な電圧閾値レベル
- 安全アプリケーション向けに設計
- アクティブLow、オープンドレインNIRQ出力 (ラッチ付き)
- アクティブ・ロー・オープンドレインNRST出力(リセット遅延)
- 巡回冗長検査(CRC)
- パケット・エラー・チェック(PEC)
アプリケーション
- 先進運転支援システム(ADAS)
- センサフュージョン
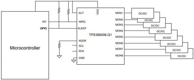
標準回路
ブロック図
その他の資料
公開: 2025-01-22
| 更新済み: 2025-05-06

