TITPS542A52同期バックコンバータには、高軽負荷効率、小シャットダウン自己消費電流ドロー、ENピンから調整できるUVLO、プリバイアス状態への単調起動といったその他の重要な機能も搭載されています。
TPS542A52バックコンバータは無鉛で、VQFN 4.5mm × 4mmパッケージに収められており、例外なくRoHSに完全に準拠しています。
特徴
- 最大15Aまでの出力電流をサポートする集積9.1mΩおよび2.6mΩ MOSFET
- 0.5V~5.5V出力電圧範囲
- 内部補償を選択できる固定周波数電圧制御モード
- 400kHz~2.2MHzまでの7通りの周波数設定を選択可
- 外部クロックに同期
- 完全差動リモートセンス
- 6通りの選択可能な過電流制限、4通りのソフトスタート・スルー・レート
- プリバイアス出力へのモノトニックスタートアップ
- 調整可能な入力UVLOを可能にするENピン
- 電源正常インジケータ
- 17µA標準シャットダウン自己消費電流消費
- 軽負荷効率を目的にFCCMまたはPFMを選択可
- –40~+150°C動作接合温度
- 4mm × 4.5mm VQFNパッケージ
- WEBENCH® Power Designer が搭載されたTPS542A52を使用してカスタム設計を作成する
アプリケーション
- ワイヤレス通信
- アナログフロントエンド電力
- 試験機器および測定機器
- 医療用画像処理
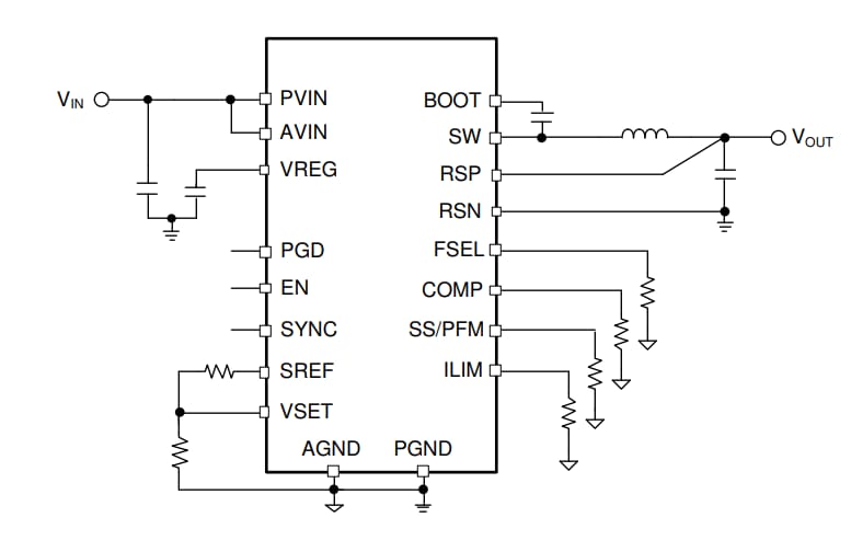
簡略図
公開: 2020-12-22
| 更新済み: 2024-10-24

