TI TPSM843321には、固定周波数ピーク電流制御が活用されており、迅速な過渡応答と優れたラインおよび負荷調整を目的とした内部補償を備えています。内部ループ補償が最適化されており、広い出力電圧範囲とスイッチング周波数全体での外部補償の必要性が排除されています。
TPSM843321は、サーマルシャットダウン、入力不足電圧ロックアウト、サイクル単位の電流制限、ヒカップ短絡保護をはじめとする保護機能を供給します。
このデバイスは、9ピン、3.3mm × 4.5mm QFNパッケージで設計されており、ピン配列は単層PCBレイアウトにご利用いただけます。さらに、TPSM843321 接合部温度は、-40°C ~ 125°Cで確立されています。
特徴
- 広範なアプリケーション向けに構成済
- 入力電圧範囲3.8V~18V
- 出力電圧範囲0.6V~12V
- 最大3Aの連続出力電流
- 0.6V±1%基準電圧 (-40°C~125°C)
- 低静止電流28uA(代表値)
- 最小オン・オフ時間:70ns、114ns
- 最大スイッチングオン時間:8us
- 最大デューティサイクル:98%
- 使いやすさと小型デザイン
- 内部補償付きピーク電流制御モード
- 200kHz ~ 2.2MHzの間で周波数を選択可
- 200kHz ~ 2.2MHzで外部クロック(位相シフトをサポート)に同期可能
- 軽負荷状態で選択可能なPFM/ FCCM
- 接合部動作温度:-40°C ~ 125°C
- 選択可能なソフトスタート時間/ 電源正常インジケータ機能
- 周波数拡散スペクトラムと最適化されたピン配列による優れたEMI性能
- 高側および低側MOSFETの両方に対するヒカップ過電流(OC)制限保護
- 過熱保護 (OTP) 、過電流保護 (OCP) 、過電圧保護 (OVP) 、不足電圧保護 (UVP) 、不足電圧ロックアウト (UVLO) のための非ラッチ保護
- 簡単なプリント基板レイアウトをサポートする統合ブートストラップコンデンサとインダクタ
- 3.3mm x 4.5mm x 2mmのQFNパッケージ
- WEBENCH® Power DesignerとTPSM843321を組み合わせてカスタム設計を作成
アプリケーション
- 医療機器、健康機器
- 試験と測定
- ビルオートメーション
- 有線ネットワーク、ワイヤレス・インフラ
- 5Vおよび12V入力を備えた分散電力システム
簡略図
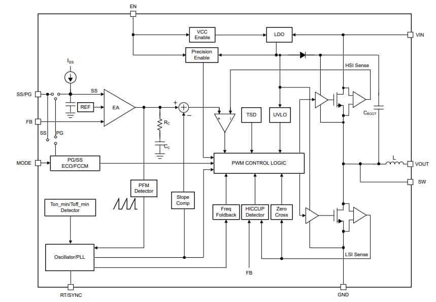
機能ブロック図
公開: 2025-06-03
| 更新済み: 2025-06-12

