Texas Instruments TRF-LSC-AFE7950EVM評価モジュール
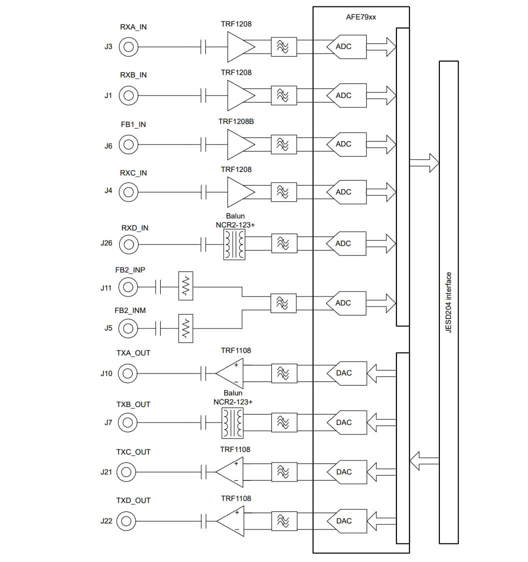
テキサス・インスツルメンツ (Texas Instruments) TRF-LSC-AFE7950EVM 評価モジュールは、統合型RFサンプリングトランシーバ、AFE79xxファミリの評価に必要な要件とインターフェイスオプションを提供します。このファミリはRX側にTRF1208 シングルエンド入力・差動出力アンプ、TX側にTRF1108 差動入力・シングルエンド出力アンプを搭載しています。AFE79xxは、最大4x 送信チャンネル、4x 受信チャンネル、2x フィードバックチャンネル(4T4R2F)をサポートしており、データコンバータのクロックの生成用にフェーズロックループ(PLL)および電圧制御発振器(VCO)を内蔵しています。TI TRF-LSC-AFE7950EVM 評価モジュールは、 LMK04828 クロックジェネレータを搭載しており、リファレンスクロックとSYSREFをアナログフロントエンド(AFE)およびキャプチャカード(フィールドプログラマブルゲートアレイ:FPGA)に供給します。この評価モジュール(EVM)は単一の5.5V入力を使用しており、包括的なパワーマネジメント回路を搭載しています。外部クロックのオプションには、(オンチップPLL用の)リファレンスクロック供給サポートが含まれます。
特徴
- 5.5V単ー電源で動作
- オンボードクロック生成機能を搭載
- 8GHzを上回るS2DおよびD2Sアンプを搭載したRFフロントエンド
アプリケーション
- RFサンプリングまたはGSPS ADCを直接駆動
- Xバンドをサポートしており、航空宇宙および防衛アプリケーションに適する
- 次世代5Gシステムをサポートする高い直線性
- 良好なシグナルインテグリティを実現する低いノイズ指数
- 小型フットプリントと受動RFバランの排除によるシステムサイズの縮小
- フェーズド・アレイ・レーダー
- 低消費電力、デジタルPD制御を採用したパワーダウンモードによりシステム設計を最適化
- 軍事無線
- 高速デジタライザ
- 4G/5GワイヤレスBTS
- RFアクティブバラン
- 試験と計測
キット内容
- TRF-LSC-AFE7950EVM
- USB Type Mini-Bケーブル
- 電源ケーブル
レイアウト
ブロック図
公開: 2025-09-14
| 更新済み: 2025-09-21
