Texas Instruments TS5USBC41デュアル2:1 USB 2.0アナログ・スイッチ
Texas Instruments TS5USBC41デュアル2:1 USB 2.0アナログ・スイッチは、高速、低消費電力で、USB Type-C™システム用の統合保護が備わっています。このデバイスは、デュアル2:1または1:2スイッチとしてオプションを実現しています。その他の機能には、2.3V~5.5Vの供給範囲だけでなく、I/Oピンでの保護があります。これらのI/Oピンは、自動シャットオフ回路が備わっている20V(TS5USBC410)または24V(TS5USBC412)までの耐性があり、スイッチの背後にあるシステム・コンポーネントを保護できます。小型12ピンDSBGAパッケージによって、TS5USBC41は、モバイルおよびスペースに制約のあるアプリケーションに最適です。特徴
- 電源電圧範囲: 2.3V~5.5V
- 差動2:1または1:2スイッチ/マルチプレクサ、または柔軟なデュアル・シングルエンド・クロス・スイッチ
- 共通ピンでの0V~20V(TS5USBC410)および24V(TS5USBC412)過電圧保護(OVP)
- VCC = 0Vの電源オフ保護
- 低いRON: 9Ω (最大値)
- BW(typ): 1.1GHz(TS5USBC410)および1.2GHz(TS5USBC412)
- CON(typ): 2.7pF(TS5USBC410)および2.5pF(TS5USBC412)
- 低消費電力のディセーブル・モード
- 1.8V互換のロジック入力
- JESD 22を超えるESD保護
- 人体モデル(HBM)2000V
- TS5USBC410およびTS5USBC412: 0°C~70°Cの標準温度範囲
- TS5USBC410IおよびTS5USBC412I: 40°C~85°Cの工業温度範囲
- 小型のDSBGAパッケージ
アプリケーション
- モバイル
- PC/ノートパソコン
- タブレット
- USB Type-C™またはMicro-Bコネクタが使用されているすべての場所
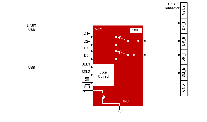
ブロック図
公開: 2018-07-17
| 更新済み: 2022-12-07
