Texas Instruments TXB0104 4ビット双方向電圧レベルシフタ
Texas Instruments TXB0104 4ビット双方向電圧レベルシフタには、それぞれ個別に構成できる電源レール2本が採用されています。Aポートは、VCCA に追従するように設計されており、1.2V~3.6Vまでの任意の電源電圧を許容します。Bポートは、VCCB に追従するように設計されており、1.65V~5.5Vまでの任意の電源電圧を許容します。この機能により、電圧ノード1.2V、1.5V、1.8V、2.5V、3.3V、5V間のユニバーサル低電圧双方向変換を実現します。VCCA は、VCCB を超えてはなりません。OE入力が「低」の場合、すべての出力は高インピーダンス状態になっています。パワーアップ時やパワーダウン時に高インピーダンス状態を確保するために、OEはプルダウン抵抗を通してGNDに接続する必要があります。ドライバーの電流供給能力によって、抵抗器の最小値が決まります。Texas Instruments TXB0104は、OE入力回路がVCCA から供給されるように設計されています。このデバイスは、IOFF を使用する部分的パワーダウン・アプリケーション用に完全に規定されています。IOFF 回路は、出力を無効にし、パワーダウン時にデバイスに有害な電流が逆流するのを防ぎます。
特徴
- をAポートは1.2V~3.6V、をBポートは1.65V~5.5V(VCCA ≤ VCCB)
- VCC 絶縁機能(どちらかのVCC 入力がGNDの場合、全出力は高インピーダンス状態となります。)
- VCCA を基準とする出力イネーブル(OE)入力回路
- 低消費電力、最大5µAのICC
- IOFF は、部分的なパワーダウンモード動作をサポート
- ラッチアップ性能は、JESD78、クラス IIに従い、100mAを上回ります。
- JESD22を上回るESD保護能力
- Aポート
- 2,500V人体モデル (A114-B)
- 1,500Vデバイス帯電モデル(C101)
- Bポート
- ±15kV人体モデル (A114-B)
- 1,500Vデバイス帯電モデル(C101)
- Aポート
アプリケーション
- ヘッドセット
- スマートフォン
- タブレット
- デスクトップPC
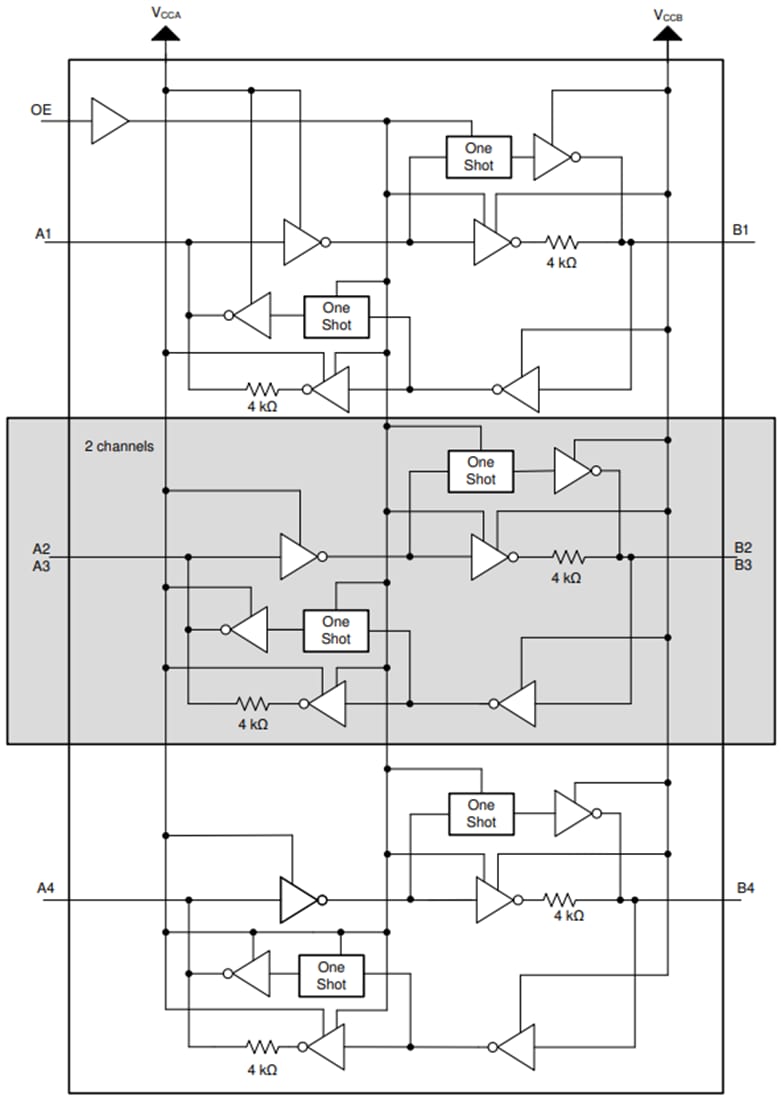
機能ブロック図
Datasheets
公開: 2020-12-15
| 更新済み: 2025-08-21
