Texas Instruments UCC28180 PFCコントローラ

Texas Instruments UCC28063 PFCコントローラ

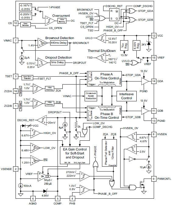
改善されたオーディオノイズ耐性を備えたTexas Instruments UCC28063 Natural Interleaving™遷移モードPFCコントローラは、可聴ノイズ除去を考慮する家電用に最適化されています。このTIソリューションは、低コストのコンポーネントで高効率といった遷移モードの利点を拡大しており、従来よりもさらに高い定格が可能になっています。Natural Interleaving技法を活用することで、TI UCC28063のどちらのチャンネルも、同じ周波数に同期されたマスターとして動作します。この試みは、本質的に強い適合とより速い応答を実現し、各チャンネルが遷移モードで動作することを確実にします。拡張されたシステムレベル保護は、入力電圧低下やドロップアウト回復、出力過電圧、オープンループ、過負荷、ソフトスタート、位相障害検出、熱シャットダウンが特徴です。 追加されたFailSafe過電圧保護機能は、検出されない場合は壊滅的なデバイスの故障に繋がる可能性のある中間電圧に対するショートを保護します。

Natural Interleaving機能
  • 入力フィルタと出力コンデンサのリップル電流キャンセル
    • より高いシステム信頼性とより小さなバルクコンデンサ向けに低減された電流リップル
    • 縮小されたEMIフィルタサイズ
  • 位相管理能力
  • デュアルパスありFailSafe OVPが、電圧検知故障による出力過電圧状態を防止
  • センサーレス電流供給がボードのレイアウトを簡素化して効率性を改善
システムの特徴
  • 高度な可聴ノイズ性能
  • 非リニアエラーアンプゲイン
  • 過電圧でのソフトリカバリ
  • 統合された電圧低下/ドロップアウト処理
  • 低減されたバイアス電流
  • 従来の単位相連続伝導モード(CCM)全体で改善された効率性と設計柔軟性
アプリケーション
  • 100W~800Wの電源
  • ゲーム機
  • D-Aセットトップボックス
  • アダプター
  • LCD、プラズマ、DLP™ TV
  • ホームオーディオシステム
機能図
機能図
典型的なアプリケーション図
典型的なアプリケーション図
Mouser.comのコメント

マウサーは、当社サイトでの活発かつ節度ある交流を歓迎します。サイト上で有意義にご意見を交換していただくために、コメントはこのページ上のトピックに関係のあるものに限定させていただきます。すべてのコメントは、表現と内容が適切なものであることを確認させていただいた後掲示します。

  • Texas Instruments
  • Semiconductors|Integrated Circuits|IC-Power Management
公開: 2013-03-12 | 更新済み: 2022-03-11