Toshiba コードレス電動工具ソリューション
さまざまなタイプの電動工具は、家庭用から業務用まで、広範なアプリケーションを対象に販売されています。最近では、大容量リチウムイオン電池が採用されたことで、家庭での使用だけでなくハンマードリル、インパクトレンチ、釘打ち機、ステープラー、丸のこといった業務用の製品でも、コンパクトで軽く持ち運びと使用が簡単なコードレスタイプのシフトにつながっています。コードレス電動工具には1回の充電で長時間動作する能力があり、ユーザーが商品を選択する際の主な品質の1つとなっています。ToshibaのMOSFET、モータ制御ドライバ、フォトカプラ、および最新技術を使用したその他の製品のラインナップは、設計者が限られたバッテリ容量を効率的に使用することに貢献します。主な利点
- 製品の広いポートフォリオ
- 熱の発生を最小限に抑えるON抵抗の維持
- 効率的なパッケージで熱放散機能を向上
- 絶縁型バリアを介した光結合
- 設計に貢献するアプリケーションノート、リファレンス設計、その他の資料
- eFuse ICとフォトカプラを活用た新しい保護規格(IEC-62368-1など)で支援
3相ブラシレスモータ駆動
専用のToshiba TC78B016FTGモータドライバを使用することによって、インバータ制御が搭載された3相ブラシレスモータを簡単に駆動できます。大容量ブラシレスモータは、Toshiba TB6634FNG外部ドライバ型モータ制御ドライバを使用して駆動することもできます。ToshibaのMOSFETであるTPWR8004PL、TPHR8504PLを使用すると、低発熱と低消費電力を達成し、ドライバとして低ON抵抗と高放熱効率を実現できます。さらに、小型パッケージ製品を使用することで、電力を犠牲にすることなくボード領域を削減できます。
Toshiba TC75S67TUのようなオペレーショナルアンプは、システム電源用の電流監視回路および機器の異常状態の検出に有用です。オペアンプは、温度センサと組み合わせると、バッテリ保護回路にも最適です。さらに、ToshibaのLDOファミリとTAR5SBは、モータ駆動セクションによって発生するノイズを低減させるためシステム電源に有用で、安定したシステムを構成できます。
3相ブラシレスモータ駆動に推奨
- MOSFET
- オペレーショナル・アンプ
- LDOレギュレータ
- モータ制御
ブラシモータ駆動
バイポーラトランジスタ(NPN/PNP)TMBT3906および2SC4116を使用し、ブラシモータ駆動用のMOSFETドライバを構成できます。MOSFETドライバのための低ON抵抗・高放熱製品を使用すると、熱発生が低く抑えられ、電力損失が低減します。一方で、モータにおける逆起電力を考慮した高破壊特性も必要になります。そのため、各アプリケーションごとにToshiba TPWR8004PLおよびTPHR8504PLといった最適な製品を選択する必要があります。さらに、小型パッケージ製品を使用することでボード領域を削減できます。
ブラシモータ駆動に推奨
- バイポーラトランジスタ
- MOSFET
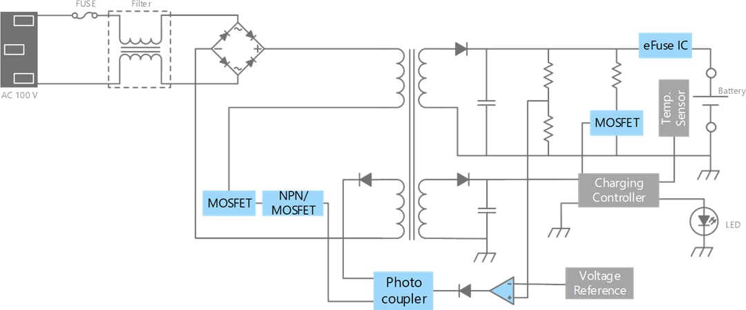
電池充電
AC-DC電源のPFC回路に使用されているMOSFETは、高破壊電圧と低ON抵抗が必須であり、両方の要件に適合するMOSFETを選択することが重要です。Toshibaは、大小のパッケージでの他の多種多様なMOSFETに加えて、TK17A80Wも提供しています。
電圧帰還回路では、TLP385のようなフォトカプラを使用することで一次側と二次側の電気絶縁を介した信号伝送が達成されます。
保護は、あらゆる電源回路でも同様に重要です。Toshiba TCKE8xxシリーズeFuse ICは、予期しないサージが発生する可能性があるバッテリ電源線用に設計されています。全体的なシステム品質と信頼性は、eFuse ICによって改善されています。
バッテリ充電に推奨
- MOSFET
- eFuse IC
- フォトカプラ
