Vishay / Sfernice 40 LHEリニア位置センサ
Vishay/ Sfernice 40LHEリニア位置センサは、過酷な環境下での高精度リニア変位測定用に設計されたコンパクトで高性能なデバイスです。非接触ホール効果技術を活用したVishay/ Sfernice 40LHEは、過酷な条件下でも長寿命で優れた耐久性と信頼性を提供します。このセンサは、最大ストローク長40mm、高直線性(±1%)、再現性が特徴で、正確な位置フィードバックを必要とするアプリケーションに最適です。堅牢な構造には、IP67等級の筐体が含まれ、確実に埃や水の侵入から保護します。産業用オートメーション、医療機器、航空宇宙、車載システムで一般的に使用されている40 LHEセンサは、高精度機器でのアクチュエータ位置監視、ロボット制御、モーション追跡といったタスクに最適です。特徴
- ±1%までの正確な直線性
- 絶対位置
- 0mm ~ 40mmの電気ストローク
- 10Mサイクル以上の長寿命
- 非接触型ホール効果技術
- 過酷な環境におけるすべてのアプリケーションに特化したモデル
- 汎用性の高い「2面」取付け
- オプションのスプリングリターン
- リードフリー、RoHS準拠
アプリケーション
- 産業用オートメーション
- アクチュエータとロボットアームでの位置フィードバック
- 自動機械でのリニアモーションの監視
- 医療機器
- 診断および治療装置での正確な動作制御
- 患者ベッドまたは画像処理システムでの位置センシング
- 航空宇宙・防衛
- 制御表面位置フィードバック
- 航空機システムでのアクチュエータ位置の監視
- 自動車
- スロットルまたはペダル位置センシング
- サスペンションとステアリングシステムフィードバック
- 試験および測定システム
- キャリブレーションと高精度測定セットアップ
- ラボ機器での線形変位追跡
- 再生可能エネルギー:ソーラーパネルアライメントシステムでの位置追跡
仕様
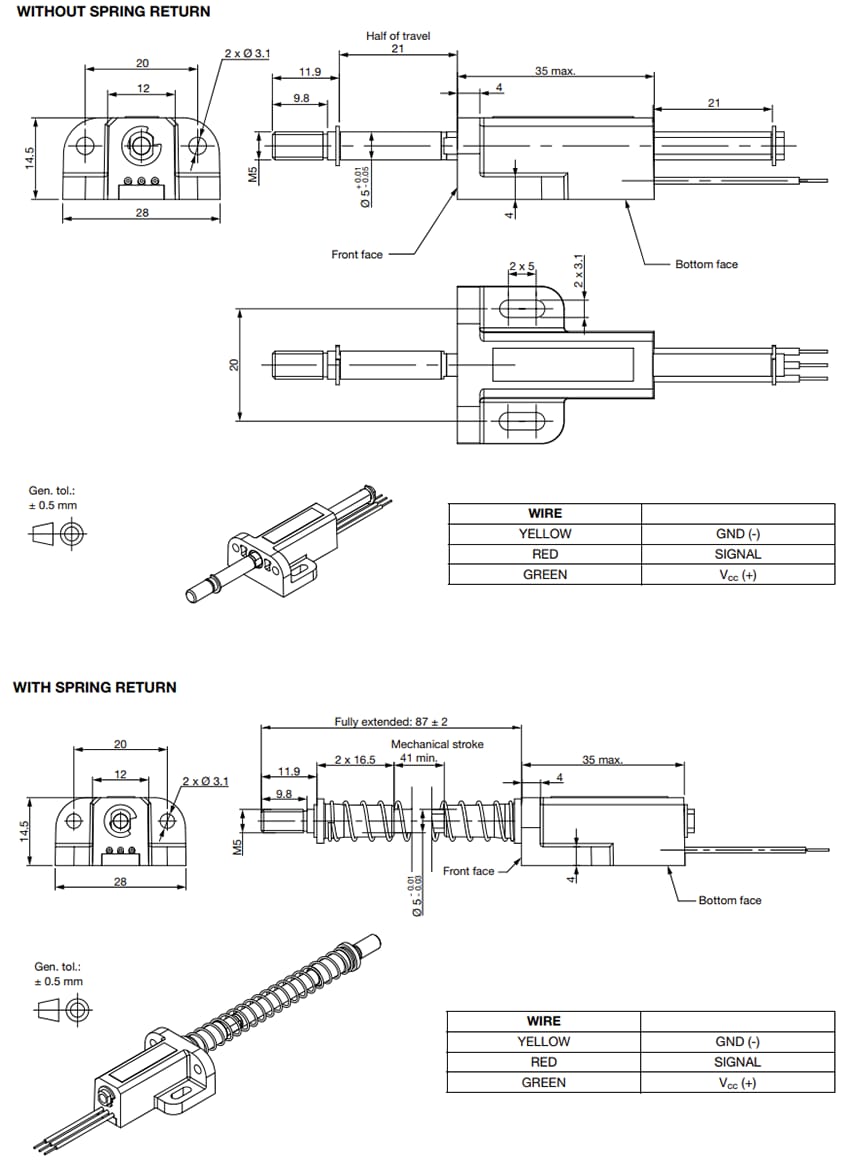
- 35mm x 14.5mm x 28mmサイズ
- 最大電気ストローク:40mm
- 独立直線性
- アナログ出力 - ±1% (@ VMAX = 0.5m/s) / ±2% (@ VMAX = 1m/s)
- PWM出力 - ±1% (@ VMAX = 0.4m/s) / ±2% (@ VMAX = 0.8m/s)
- 分解能:12μm(ストローク40mm)
- 供給電圧:5VDC ±10%
- 標準供給電流<>
- アナログレシオメトリック(10% ~ 90%のVSUPPLY)またはPWM (1kHz – デューティサイクル10% ~ 90%)出力信号
- 過電圧保護(入力):+20VDC
- 逆電圧保護(入力):-10VDC
- + 10VDC 出力過電圧保護(+14VDCピーク - 200s @ +25°C)
- アナログ出力とPWM出力向け最小負荷抵抗:1kΩ
- VSUPPLYの静的ヒステリシス:0.1%
- スタートアップサイクル:<>
- 最大機械長:42mm
- スリーブベアリングタイプ
- 「2面」取付け(ドリルフランジ - 2本のM3ネジ用2x2穴) +M5シャフト端に+M5 (ネジ付きオプションのみ)
- 最大作動力:0.2N(バネオプション-ストロークに沿って標準1.3N ~ 7N)
寸法: mm
公開: 2025-08-05
| 更新済み: 2025-08-22
