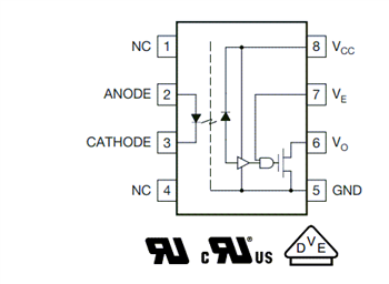
特徴
- 15kV/μsの最小コモンモード除去(CMR)
- 3750VRMS または5000VRMS 絶縁電圧オプション
- 順電圧:1.38V
- 5V逆電圧
- LVTTL/LVCMOS互換性
- 低電力消費
- シングルまたはデュアルチャンネル
- データレート 10Mb/s
- 順電流範囲:10mA~20mA
- 電力損失範囲:60mW~85mW
- オープンドレイン出力タイプ
- 立ち上がり時間範囲 11ns~23ns
- 下降時間範囲:2.3ns~11ns
- パッケージのオプション
- DIP-8
- SMD-8
- SOIC-8
- SOP-5
- 最高動作温度範囲:-40°C~+110°C
アプリケーション
- マイクロプロセッサ・システム・インターフェイス
- グランドループ除去
- デジタルバスシステム絶縁
- 高速A/DおよびD/A変換
- デジタル制御電源
- レベルシフト
公開: 2023-11-14
| 更新済み: 2024-03-22
