Vishay Semiconductors VCNL36825T-SBセンサ・ボード
Vishay Semiconductors VCNL36825T-SBセンサボードは、Vishayの高度VCNL36825T近接センサが特徴で、光学距離検出および周囲光測定において比類のない精度を実現しています。このコンパクトなセンサボードは、スタンドアロンでの使用とSensorXplorer™デモプラットフォームへの統合での使用の両方に最適です。VCNL36825T-SBは、光近接センシング、アンビエント光測定、割り込み制御、I2C通信などの豊富な機能を備えています。このセンサボードは、ラピッドプロトタイピングやスペースが重視される高精度設計への統合に最適です。特徴
- VCSEL(垂直共振器面発光レーザー)およびフォトダイオードが組み込まれているVCNL36825Tチップの採用によってプログラマブル割込とI2C通信に対応し、信頼性の高い距離検出と光レベルの検出を実現
- SensorXplorerのUSB-I2Cインターフェイスと互換性があり、GUIベースのツールを使用してセンサのパフォーマンスとコンフィグレーションを評価するために追加設定なしで使用できるソフトウェアモジュールを搭載
- さまざまな設定下で性能を探索するためにSensorXplorerソフトウェアを介して構成可能で、データキャプチャ用のシームレスなPC接続が可能
- スタンドアロン使用可能
アプリケーション
- 真のワイヤレスステレオ (TWS) イヤフォン
- スマートフォンとモバイルデバイス
- ハンドヘルドデバイス
- 産業/電力
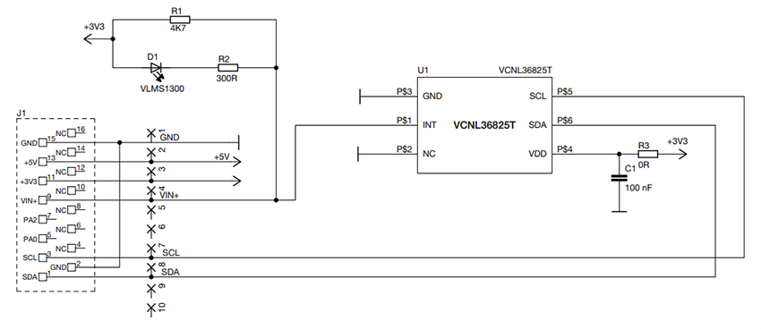
回路図
公開: 2025-10-28
| 更新済み: 2026-02-06
