AD8232/AD8233は、モーションアーチファクトおよび電極の半電池電位の除去用に、2極ハイパスフィルタを実装できます。 このフィルタはアンプの計測アーキテクチャにしっかりと一体化されており、 大きなゲインとハイパスの両方が単一段階でフィルタリングされ、それによってスペースとコストを節約できます。
未使用のオペアンプによって、AD8232/AD8233は、3極ローパスフィルタを作成してさらにノイズを除去できます。 ユーザーは、異なるタイプのアプリケーションに適合させるために、全フィルタの周波数カットオフを選択できます。 システムおよびその他の好ましくないインターフェイスにおけるライン周波数のコモンモード除去を改善するために、AD8232には右足駆動(RLD)といった駆動リードアプリケーション用のアンプが搭載されています。 AD8232/AD8233には、持続時間を減少させたり、あるいは高パスフィルタの長いセトリングテイルの、高速リストア機能が搭載されています。アンプをレイルする急激な信号変化(リードオフ状態など)の後で、AD8232/AD8233は高いフィルターのカットオフに合わせて自動的に調整されます。 この機能により迅速なリカバリが可能となっており、被験体に電極を接続した後ですぐに有効な測定値を取ることができます。
特徴
- 完全に統合された単一リードECGフロントエンド
- 低供給電流: 170μA(標準)(AD8232)、50μA(標準)(AD8233)
- コモンモード除去比: 80dB (dc~60Hz)
- 2電極または3電極構成
- DCブロック機能を備えた高信号ゲイン (G = 100)
- 2極の調節可能なハイパスフィルタ
- 最大±300mVの半電池電位を受容
- 高速リカバリ機能によりフィルタのセトリングを改善
- 未使用のオペアンプ
- 8kV HBM ESD定格
- シャットダウンピン
- 調節可能なゲインを備えた3極の調節可能なローパスフィルタ
- リードオフ検出: acまたはdcオプション
- 統合型右足駆動(RLD)アンプ
- 単電源動作
- 2.0V~3.5V (AD8232)
- 0.7V~3.5V (AD8233)
- 統合型リファレンスバッファがバーチャルグラウンドを生成
- レール・ツー・レール出力
- 内蔵RFIフィルタ
- 20リード4mm × 4mm LFCSPパッケージ(AD8232)
- 20リード2mm × 1.7mm WLCSPパッケージ(AD8233)
アプリケーション
- フィットネスとアクティビティ時の心拍数モニタ
- 携帯用ECG
- リモートヘルスモニタ
- ゲーム用周辺機器
- 生体電位信号取得
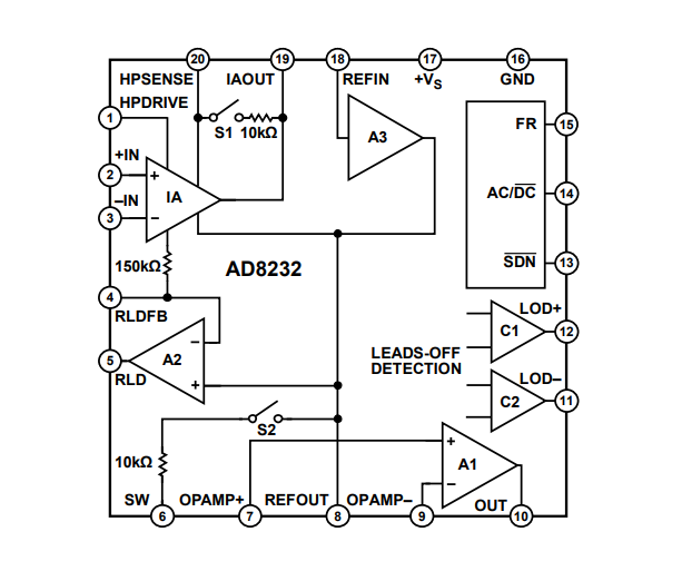
ブロック図
その他のリソース
人体の状態基準保全
テクノロジーの進歩により、バイタルサインモニタリングは、さまざまな産業や日常生活でますます普及していくことでしょう。治療、予防などの健康関連ソリューションには、信頼性の高い堅牢な技術が求められています。
詳しい情報

