Analog Devices Inc. ADPA1107 窒化ガリウム(GaN)広帯域パワーアンプ
Analog Devices Inc. ADPA1107窒化ガリウム(GaN)広帯域パワーアンプは、4.8GHz~6.0GHzの帯域幅全域で56.5%標準電力付加効率(PAE)をともない45.0dBm(35W)を供給します。ADPA1107は、5.4GHz~6.0GHzの間で±0.5dB利得平坦性を実現しています。ADPA1107は、レーダー、公衆移動無線、汎用増幅といったパルスアプリケーションに最適です。Analog Devices Inc. ADPA1107は、40リード、6mm × 6mm、リードフレーム・チップスケールパッケージ(LFCSP)でご用意があります。特徴
- PINをともなうPOUT(27.0dBm:標準45.0dBm @ 5.4GHz~6.0GHz)
- 標準30.5dB @ 4.8GHz~5.4GHz小信号利得
- 4.8GHz~6.0GHz周波数範囲
- PINをともなうPAE = 27.0dBm(標準56.5% @ 5.4GHz~6.0GHz)
- VDD(28V @ IDQ = 350mA、10%デューティサイクル)
- 40リード、6mm × 6mm、LFCSP
アプリケーション
- 気象レーダー
- 海洋レーダー
- 防衛用レーダー
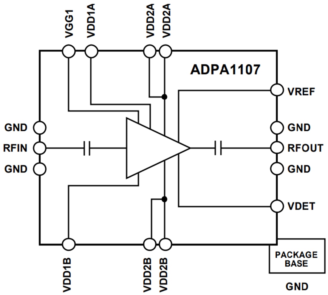
機能ブロック図
公開: 2021-08-02
| 更新済み: 2025-02-07
